大河晶振,石英晶振,TFX-02S晶振,大河晶振科技有限公司是日本リバーエレテック株式会社(RIVER ELETEC CORPORATION)的附属公司,RIVER ELETEC是以生产晶体、晶振,石英晶振,有源晶振,压控振荡器为主的电子元器件厂家。尤其在SMD型贴片晶振(表贴型)小型水晶元器件方面一直处于行业领先地位,积累了许多独特的技术,赢得了“小型元器件找RIVER晶振”的信誉.
公司一贯重视开发具有独特性能的石英晶振,32.768K晶振,声表面谐振器,有源晶振,压控振荡器元器件,经过60多年的发展,RIVER ELETEC现已成为一个以研发和生产晶振为核心业务的日本上市公司,公司产品以不断追求“小型化、高性能、高品质 ”为目标,服务于手机,IT,数码,汽车等多个领域,拥有稳定的国内外客户群体.大河晶振以提高用户满意度为目标,不断推进集团整体业务的发展。
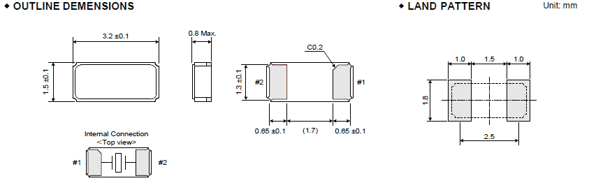
大河晶振规格
单位
TFX-02S晶振频率范围
石英晶振基本条件
标准频率
f_nom
32.768KHZ
标准频率
储存温度
T_stg
-40°C ~ +125°C
裸存
工作温度
T_use
-40°C ~ +85°C
标准温度
激励功率
DL
0.5μW Max.
推荐:1μW ~ 100μW
频率公差
f_— l
±50 × 10-6 (标准),
+25°C 对于超出标准的规格说明,
频率温度特征
f_tem
±30 × 10-6/-20°C ~ +70°C
超出标准的规格请联系我们.
负载电容
CL
7pF ,9pF,12.5pF
超出标准说明,请联系我们.
串联电阻(ESR)
R1
如下表所示
-40°C — +85°C, DL = 100μW
频率老化
f_age
±5 × 10-6 / year Max.
+25°C,第一年
(±15 × 10-6 ~ ±50 × 10-6 可用)
请联系我们以便获取相关的信息,http://www.jingzhen95.com/

使用每种产品时,请在石英晶振规格说明或产品目录规定使用条件下使用。因很多种晶振产品性能,以及材料有所不同,所以使用注意事项也有所不同,比如焊接模式,运输模式,保存模式等等,都会有所差别。晶振产品的设计和生产直到出厂,都会经过严格的测试检测来满足它的规格要求。通过严格的出厂前可靠性测试以提供高质量高的可靠性的石英晶振.但是为了石英晶体谐振器的品质和可靠性,必须在适当的条件下存储,安 装,运输。请注意以下的注意事项并在最佳的条件下使用产品,我们将对于客户按自己的判断而使用石英晶振所导致的不良不负任何责任
PCB设计指导
(1) 理想情况下,机械蜂鸣器应安装在一个独立于石英晶体器件的PCB板上。如果您安装在同一个PCB板上,最好使用余量或切割PCB。当应用于PCB板本身或PCB板体内部时,机械振动程度有所不同。建议遵照内部板体特性。
(2) 在设计时请参考相应的推荐封装。
(3) 在使用焊料助焊剂时,按JIS标准(JIS C 60068-2-20/IEC 60,068-2-20).来使用。
(4) 请按JIS标准(JIS Z 3282, Pb 含量 1000ppm, 0.1wt% 或更少)来使用无铅焊料。
存储事项
(1) 在更高或更低温度或高湿度环境下长时间保存晶振时,会影响频率稳定性或焊接性。请在正常温度和湿度环境下保存这些石英晶振产品,并在开封后尽可能进行安装,以免长期储藏.
正常温度和湿度:
温度:+15°C 至 +35°C,湿度 25 % RH 至 85 % RH(请参阅“测试点JIS C 60068-1 / IEC 60068-1的标准条件”章节内容).
(2) 请仔细处理内外盒与卷带。外部压力会导致卷带受到损坏。大河晶振,石英晶振,TFX-02S晶振
大河晶振为了削减事业活动中排放的碳排放总量,提出了防止地球变暖的方针,为了达成目标,组织起防止地球变暖委员会,包括从产品与生产设备的设计、开发阶段到生产工序的削减对策在内,由大河晶振集团整体持续不断地推进全公司上下有组织的活动

服务热线:0755-27839045
Q Q联系:262320519
邮箱:szceob2b@163.com


