爱普生晶振,压控晶体振荡器,VG-4231CA晶振,"VG-4231CA 25.0000M-FGRC3",爱普生株式会社EPSON晶振,爱普生拓优科梦,(EPSON — YOCOM)1942年成立时是精工集团的第三家手表制造公司,以石英手表起家的爱普生公司到后续的生产压电石英晶振, 晶振,石英晶振,有源晶振,压控振荡器, 压控晶体振荡器(VCXO)、温补晶体振荡器(TCXO)。1996年2月在中国苏州投资建厂,在当时员工人数就达2000人,总投资4.055亿美元,公司占地200亩,现已经是世界500强企业.
爱普生晶振公司加强人力资源的全功能,技术,生产,销售和支持和环境问题,利用信息技术,推进我们的原始制造模式寻求实现我们的愿景.视野下就像我提到的,我们的目标是使用我们的技术来创建一个新的连接人的时代,事物和信息,这样我相信我们可以成为不可或缺的公司为我们的客户和社会.7050mm压控晶振,进口VCXO振荡器,VG-4231CA晶振,"VG-4231CA 25.0000M-FGRC3"
|
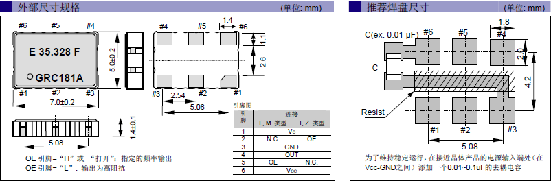
型号 |
VG-4231CA(VCXO) |
|
|
输出频率范围 |
1~60MHz |
|
|
标准频率 |
19.2MHz/26MHz/38.4MHz/40MHz/52MHz |
|
|
电源电压范围 |
+1.68~+5V |
|
|
电源电压(Vcc) |
+1.8V/+2.6V/+2.8V/+3.0V/+3.3V |
|
|
消耗电流 |
+1.5mA max.(f≦26MHz)/+2.0mA max.(26<f≦52MHz)/+2.5mA max.(f≦60MHz) |
|
|
待机时电流 |
- |
|
|
输出电压 |
0.8Vp-p min.(f≦52MHz)(削峰正弦波/DC-coupled) |
|
|
输出负载 |
10kΩ//10pF |
|
|
频率稳定度 |
常温偏差 |
±1.5×10-6 max.(After 2 reflows) |
|
温度特性 |
±1.0×10-6,±2.5×10-6 max./-40~+125℃ |
|
|
电源电压特性 |
±0.2×10-6 max.(VCC ±5%) |
|
|
负载变化特性 |
±0.2×10-6 max.(10kΩ//10pF±10%) |
|
|
长期变化 |
±1.0×10-6 max./year |
|
|
频率控制 |
控制灵敏度 |
±3.0×10-6~±5.0×10-6/Vcont=+1.4V±1V @VCC≧+2.6V |
|
频率控制极性 |
正极性 |
|

所有产品的共同点
1:抗冲击
抗冲击是指晶振产品可能会在某些条件下受到损坏。例如从桌上跌落,摔打,高空抛压或在贴装过程中受到冲击。如果产品已受过冲击请勿使用。因为无论何种石英晶振,其内部晶片都是石英晶振制作而成的,高空跌落摔打都会给晶振照成不良影响。
2:辐射
将贴片晶振暴露于辐射环境会导致产品性能受到损害,因此应避免阳光长时间的照射。7050mm压控晶振,进口VCXO振荡器,VG-4231CA晶振
3:化学制剂 / pH值环境
请勿在PH值范围可能导致腐蚀或溶解石英晶振或包装材料的环境下使用或储藏这些产品。
4:粘合剂
请勿使用可能导致石英晶振所用的封装材料,终端,组件,玻璃材料以及气相沉积材料等受到腐蚀的胶粘剂。(比如,氯基胶粘剂可能腐蚀一个晶振的金属“盖”,从而破坏密封质量,降低性能。
5:卤化合物
请勿在卤素气体环境下使用晶振。即使少量的卤素气体,比如在空气中的氯气内或封装所用金属部件内,都可能产生腐蚀。同时,请勿使用任何会释放出卤素气体的树脂。
6:静电
过高的静电可能会损坏贴片晶振,请注意抗静电条件。请为容器和封装材料选择导电材料。在处理的时候,请使用电焊枪和无高电压泄漏的测量电路,并进行接地操作。爱普生晶振,压控晶体振荡器,VG-4231CA晶振,"VG-4231CA 25.0000M-FGRC3"
爱普生株式会社石英晶体振荡器不仅遵守与环保相关的法规、条例及其他本公司赞同的要求事项,也根据需要自主性的制定基准,通过持续性的展开环保活动来预防污染。
在设定环保目的与目标展开活动的同时,定期重审环境管理体系,努力提高环保活动的水平。7050mm压控晶振,进口VCXO振荡器,VG-4231CA晶振
爱普生株式会社5070晶振通过与地区的交流及社会贡献活动,为地区的环保做贡献。
将环保活动的信息向公司内外公开,积极努力的与地区社会及相关人员建立信赖关系,为社会的发展做出贡献。
通过此方针的公文化,在向公司员工及从事本事业领域业务的所有相关人员彻底传达的同时,也向公司外部公开。
爱普生石英晶振集团将建立可行的技术及经济性环境目标,并确保其环境保护活动的质量。
爱普生晶振集团公司将关注所有环境适用的法律、法规和协议的遵守情况。另外为更有效的进行环境保护,将建立自己的特有的环境标准。
精工爱普生晶振集团将在各领域内的商务运作中实施持续改进,包括能源资源的保持,回收再利用以及减少废弃物等。爱普生晶振,压控晶体振荡器,VG-4231CA晶振,"VG-4231CA 25.0000M-FGRC3"

服务热线:0755-27839045
Q Q联系:262320519
邮箱:szceob2b@163.com


Si599智能手环晶振/599BEC000121DG/Skyworks可编程振荡器,尺寸5.0*7.0mm,频率100MHZ,输出逻辑LVDS,电压3.3V,频率稳定性20ppm,思佳讯压控晶振,思佳讯差分晶振,欧美进口有源晶振,7050mm差分晶振,可编程差分晶振,可编程晶振,差分压控晶振,差分晶体振荡器,LVDS输出晶振,差分压控晶振,VCXO压控晶体振荡器,100MHZ差分晶振,低电压差分晶振,低功耗差分晶振,低抖动差分晶振,低相位差分晶振,低耗能差分晶振,低电压电压差分晶振,高质量差分晶振,高精度差分晶振,智能手环专用差分晶振,数字视频差分晶振,以太网差分晶振,光纤通道差分晶振,通讯模块差分晶振,物联网差分晶振,室外基站差分晶振,具有良好的可靠性能以及稳定性能。
差分晶振产品很适合用于智能手环,数字视频,以太网,光纤通道,通讯模块,物联网,室外基站等领域.Si599智能手环晶振/599BEC000121DG/Skyworks可编程振荡器.

频率:66.667MHZ 尺寸:5.0x3.2mm
贴片式石英晶体振荡器,低电压启动功率,并且有多种电压供选择,比如有1.8V,2.5V,3.3V,3.8V,5V等,产品被广泛应用于,平板笔记本,GPS系统,光纤通道,千兆以太网,串行ATA,串行连接SCSI,PCI-Express的SDH / SONET发射基站等领域.符合RoHS/无铅.