频率:7.000MHz~200.000MHz
小型表面贴片晶振型,是标准的石英晶体谐振器,适用于宽温范围的电子数码产品,家电电器及MP3,MP4,播放器,单片机等领域.可对应7.000MHz以上的频率,在电子数码产品,以及家电相关电器领域里面发挥优良的电气特性,满足无铅焊接的回流温度曲线要求.
Vectron晶振,石英晶体,VXD1晶振.Vectron国际晶振集团是世界领先的晶振,石英晶振,有源晶振,压控振荡器频率控制、传感器和混合产品解决方案的设计、制造和营销的领导者,采用了从直流到微波频段的各种最新技术,包括大体积声波(BAW)和表面声波.除了这些极具创新性的能力外,Vectron力求做到极具灵活性,专注于服务,迅速作出反应,专业地帮助客户创新、改进和发展业务。
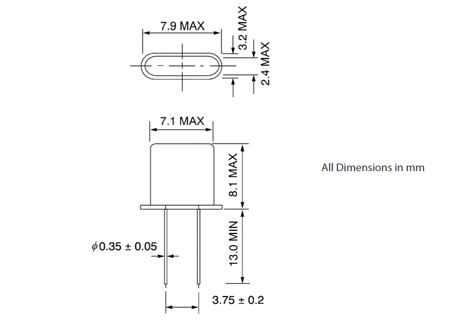
石英晶振曲率半径加工技术:石英晶振晶片在球筒倒边加工时应用到的加工技术,主要是研究满足不同曲率半径石英晶振晶片设计可使用的方法。如:1、是指球面加工曲率半径的工艺设计( a、球面的余弦磨量; b、球面的均匀磨量;c、球面加工曲率半径的配合)2、在加工时球面测量标准的设计原则(曲率半径公式的计算)。7.9*3.2插件晶振,椭圆形石英晶体,VXD1晶振
|
Vectron晶振规格 |
单位 |
VXD1晶振 |
石英晶振基本条件 |
|
标准频率 |
f_nom |
7.000MHZ~200.000MHZ |
标准频率 |
|
储存温度 |
T_stg |
-40°C ~ +90°C |
裸存 |
|
工作温度 |
T_use |
-40°C ~ +85°C |
标准温度 |
|
激励功率 |
DL |
10~100μW Max. |
推荐:1μW ~ 100μW |
|
频率公差 |
f_— l |
±10 × 10-6 (标准) |
+25°C 对于超出标准的规格说明,请联系我们以便获取相关的信息,http://www.jingzhen95.com/ |
|
频率温度特征 |
f_tem |
±10 × 10-6/-20°C ~ +70°C |
超出标准的规格请联系我们. |
|
负载电容 |
CL |
6pF~32PF |
不同负载电容要求,请联系我们. |
|
串联电阻(ESR) |
R1 |
如下表所示 |
-40°C — +85°C, DL = 100μW |
|
频率老化 |
f_age |
±5 × 10-6 / year Max. |
+25°C,第一年 |
超声波清洗
(1)使用AT-切割晶体和表面声波(SAW)谐振器/声表面滤波器的产品,可以通过超声波进行清洗。但是,在某些条件下, 晶体特性可能会受到影响,而且内部线路可能受到损坏。确保已事先检查系统的适用性。7.9*3.2插件晶振,椭圆形石英晶体,VXD1晶振
(2)使用音叉晶体和陀螺仪传感器的产品无法确保能够通过超声波方法进行清洗,因为晶体可能受到破坏。
(3)请勿清洗开启式产品
(4)对于可清洗产品,应避免使用可能对石英水晶谐振器产生负面影响的清洗剂或溶剂等。
(5)焊料助焊剂的残留会吸收水分并凝固。这会引起诸如位移等其它现象。这将会负面影响晶振的可靠性和质量。请清理残余的助焊剂并烘干PCB。
操作
请勿用镊子或任何坚硬的工具,夹具直接接触IC的表面。Vectron晶振,石英晶体,VXD1晶振
使用环境(温度和湿度)
请在规定的温度范围内使用耐高温晶振。这个温度涉及本体的和季节变化的温度。在高湿环境下,会由于凝露引起故障。请避免凝露的产生。
加强环境意识教育,提高全员环境意识,充分调动职工的积极性,积极使用温补晶体振荡器(TCXO)、恒温晶体振荡器(OCXO),晶振,石英晶振,有源晶振环保型原材料,减少生产过程中的废弃物产生量,努力向相关方施加环境影响.Vectron晶振,石英晶体,VXD1晶振
VectronVectron国际晶振集团所生产的压电石英晶体、有源晶体,温补晶体振荡器(TCXO)、恒温晶体振荡器(OCXO)完全符合ISO14001环境管理体系国际标准的要求,体现了一个适合、三个承诺和一个框架:
建造美丽家园——适合于我公司的生产活动、产品以及服务过程的性质.规模与环境影响;
持续改进——持续改进环境绩效和环境管理体系的承诺;
减少污染,节能降耗——污染预防的承诺.
为构建循环型社会做出贡献,致力于减少温补晶振,石英晶体振荡器, 压电石英晶体元器件、压电石英晶体、有源晶体、石英晶振,贴片晶振材料的废弃物及废弃物的再利用核再生循环,努力构建循环型社会.7.9*3.2插件晶振,椭圆形石英晶体,VXD1晶振
Vectron晶振环境影响的最小化:遵照社会的期望,改进我们的环境行为,我们将通过有效利用森林、能源以及其它资源,减少各种形式的废物来实现这一承诺.
服务热线:0755-27839045
Q Q联系:262320519
邮箱:szceob2b@163.com

频率:1.536MHZ~150.0MHZ 尺寸:11.5*5.0mm
插件石英晶振最适合用于比较低端的电子产品,比如儿童玩具,普通家用电器,即使在汽车电子领域中也能使产品高可靠性的使用.并且可用于安全控制装置的CPU时钟信号发生源部分,好比时钟单片机上的石英晶振,在极端严酷的环境条件下,晶振也能正常工作.

频率:30~50MHz 尺寸:1.6*1.0mm
贴片石英晶体,体积小,焊接可采用自动贴片系统,产品本身小型,表面贴片晶振,特别适用于有小型化要求的电子数码产品市场领域,因产品小型,薄型优势,耐环境特性,包括耐高温,耐冲击性等,在移动通信领域得到了广泛的应用,晶振产品本身可发挥优良的电气特性,满足无铅焊接的高温回流温度曲线要求。

频率:12~200MHz 尺寸:4.8*3mm
贴片石英晶体,体积小,焊接可采用自动贴片系统,产品本身小型,表面贴片晶振,特别适用于有小型化要求的电子数码产品市场领域,因产品小型,薄型优势,耐环境特性,包括耐高温,耐冲击性等,在移动通信领域得到了广泛的应用,晶振产品本身可发挥优良的电气特性,满足无铅焊接的高温回流温度曲线要求。