X1M0004110015,爱普生6G蓝牙晶振,LV-PECL低电压晶振MG7050EAN,日本进口晶振,EPSON爱普生株式会社,型号MG7050EAN,编码为:X1M0004110015,频率为:125.000000 MHz,小体积晶振尺寸:7.0x5.0mm,14垫脚贴片晶振,基于SAW的差分多输出LV-PECL差分晶体振荡器,有源晶振,石英晶体振荡器,无铅环保晶振,本产品是利用锯波谐振器的基本振荡的LV-PECL输出的高频振荡器。这实现了频率为100~700MHz的低抖动和低噪声,适用于PCI Express等参考时钟。具有低相位噪声,低抖动,低功耗,低损耗,低电源电压,低电平的特点。用于GbE、光纤通道、SAS、PCI express,服务器、存储器、路由器/交换机,网络、OTN,通讯设备,无线网络,蓝牙模块,光模块,安防设备及各种频率控制设备上.
X1M0004110015,爱普生6G蓝牙晶振,LV-PECL低电压晶振MG7050EAN,参数图
Item
Symbol
MG7050EAN 规格说明
Conditions / Remarks
125.000000 MHz
Please contact us about available frequencies.
Output frequency range
f0
100MHz, 106.25MHz, 125MHz, 150MHz, 156.25MHz,
Standard frequency
200MHz, 212.5MHz, 250MHz, 300MHz, 312.5MHz
Supply voltage
VCC
D: 2.5 V ± 0.125 V
C: 3.3 V ± 0.33 V
VCC, VCC1 and VCC2 need same voltage
Storage temperature
T_stg
-55 ºC to +125 ºC
Store as bare product after packing
Operating temperature
T_use
A: 0 ºC to +70 ºC, B: -20 ºC to +70 ºC
D: -5 ºC to +85 ºC
Frequency tolerance *1
f_tol
J: ±50 × 10-6, L: ±100 × 10-6
Current consumption
ICC
75 mA Typ., 94 mA Max.
80 mA Typ., 102 mA Max.
2-outputs
OE=VCC L_ECL=50 ?
125 mA Typ., 170 mA Max.
130 mA Typ., 184 mA Max.
4-outputs
Disable current
I_dis
7 mA Typ., 18 mA Max.
8 mA Typ., 20 mA Max.
OE=GND
Symmetry
SYM
45 % to 55 %
At outputs crossing point
Output voltage
VOH
VCC-1.025 V to VCC-0.88 V
DC characteristics
VOL
VCC-1.81 V to VCC-1.62 V
Output load condition
L_ECL
50 ?
Termination to VCC-2.0 V
Input voltage
VIH
70% VCC Min.
OE and FSEL terminals
VIL
30% VCC Max.
Rise time / Fall time
tr/tf
200 ps Typ., 400 ps Max.
Between 20% and 80% of (VOH-VOL)
Start-up time
t_str
5 ms Typ., 10 ms Max.
Time at minimum supply voltage to be 0 s
0.17 ps Typ.
0.14 ps Typ.
f0=100 MHz
0.16 ps Typ.
0.13 ps Typ.
f0=125 MHz
0.15 ps Typ.
0.12 ps Typ.
f0=156.25 MHz
Offset frequency: 12 kHz to 20 MHz
Phase Jitter
tPJ
0.13 ps Typ.
0.11 ps Typ.
f0=212.5 MHz
0.11 ps Typ.
0.10 ps Typ.
f0=312.5 MHz
0.05 ps Typ.
0.05 ps Typ.
f0=700 MHz
0.3 ps Max.
Skew
t_skew
20 ps Typ., 50 ps Max.
FSEL=H
Aging
f_age
N: ±10 × 10-6/ year Max.
First year
+25 °C, VCC=2.5 V, 3.3 V
A: Included in Frequency tolerance *2
10 years
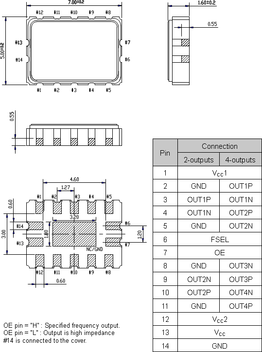
X1M0004110015,爱普生6G蓝牙晶振,LV-PECL低电压晶振MG7050EAN,尺寸图
X1M0004110015,爱普生6G蓝牙晶振,LV-PECL低电压晶振MG7050EAN
差分晶振是普通贴片晶振所不能够达到的,差分晶振具有低电平,低抖动,低功耗等特性。差分晶振作为目前行业中高要求,高技术石英晶体振荡器,具有相位低,损耗低的特点,EPSON爱普生差分晶振使用于产品中能够很容易地识别小信号,能够从容精确地处理双级信号,对外部电磁干扰(EMI)是高度免疫的,差分石英晶振满足市场需求,实现高频高精度等要求,更加保障了各种系统参考时钟的可靠性。
| 爱普生晶振编码 | 型号 | 频率 | 尺寸 | 输出方式 | 电源电压 | 工作温度 |
| X1M0004110002 | MG7050EAN | 156.250000 MHz | 7.00 x 5.00 x 1.60 mm | LV-PECL | 2.970 to 3.630 V | 0 to 70 °C |
| X1M0004110005 | MG7050EAN | 150.000000 MHz | 7.00 x 5.00 x 1.60 mm | LV-PECL | 2.970 to 3.630 V | 0 to 70 °C |
| X1M0004110006 | MG7050EAN | 156.250000 MHz | 7.00 x 5.00 x 1.60 mm | LV-PECL | 2.970 to 3.630 V | -20 to 70 °C |
| X1M0004110007 | MG7050EAN | 669.325580 MHz | 7.00 x 5.00 x 1.60 mm | LV-PECL | 2.970 to 3.630 V | -20 to 70 °C |
| X1M0004110008 | MG7050EAN | 150.000000 MHz | 7.00 x 5.00 x 1.60 mm | LV-PECL | 2.970 to 3.630 V | 0 to 70 °C |
| X1M0004110009 | MG7050EAN | 150.000000 MHz | 7.00 x 5.00 x 1.60 mm | LV-PECL | 2.970 to 3.630 V | -20 to 70 °C |
| X1M0004110010 | MG7050EAN | 150.000000 MHz | 7.00 x 5.00 x 1.60 mm | LV-PECL | 2.970 to 3.630 V | -5 to 85 °C |
| X1M0004110011 | MG7050EAN | 156.250000 MHz | 7.00 x 5.00 x 1.60 mm | LV-PECL | 2.970 to 3.630 V | 0 to 70 °C |
| X1M0004110012 | MG7050EAN | 156.250000 MHz | 7.00 x 5.00 x 1.60 mm | LV-PECL | 2.970 to 3.630 V | 0 to 70 °C |
| X1M0004110013 | MG7050EAN | 156.250000 MHz | 7.00 x 5.00 x 1.60 mm | LV-PECL | 2.375 to 2.625 V | -5 to 85 °C |
| X1M0004110014 | MG7050EAN | 100.000000 MHz | 7.00 x 5.00 x 1.60 mm | LV-PECL | 2.970 to 3.630 V | -5 to 85 °C |
| X1M0004110015 | MG7050EAN | 125.000000 MHz | 7.00 x 5.00 x 1.60 mm | LV-PECL | 2.970 to 3.630 V | -5 to 85 °C |
| X1M0004110016 | MG7050EAN | 200.000000 MHz | 7.00 x 5.00 x 1.60 mm | LV-PECL | 2.970 to 3.630 V | -5 to 85 °C |
| X1M0004110017 | MG7050EAN | 100.000000 MHz | 7.00 x 5.00 x 1.60 mm | LV-PECL | 2.970 to 3.630 V | -5 to 85 °C |
| X1M0004110018 | MG7050EAN | 125.000000 MHz | 贴片晶振 | LV-PECL | 2.970 to 3.630 V | -5 to 85 °C |
| X1M0004110019 | MG7050EAN | 200.000000 MHz | 7.00 x 5.00 x 1.60 mm | LV-PECL | 2.970 to 3.630 V | -5 to 85 °C |
| X1M0004110020 | MG7050EAN | 156.253906 MHz | 7.00 x 5.00 x 1.60 mm | LV-PECL | 2.375 to 2.625 V | -5 to 85 °C |
| X1M0004110021 | MG7050EAN | 100.000000 MHz | 7.00 x 5.00 x 1.60 mm | LV-PECL | 2.375 to 2.625 V | -5 to 85 °C |
| X1M0004110022 | MG7050EAN | 125.000000 MHz | 7.00 x 5.00 x 1.60 mm | LV-PECL | 2.375 to 2.625 V | -5 to 85 °C |
| X1M0004110023 | MG7050EAN | 156.253906 MHz | 7.00 x 5.00 x 1.60 mm | LV-PECL | 2.970 to 3.630 V | -5 to 85 °C |
| X1M0004110024 | MG7050EAN | 156.250000 MHz | 7.00 x 5.00 x 1.60 mm | LV-PECL | 2.970 to 3.630 V | -20 to 70 °C |
| X1M0004110025 | MG7050EAN | 156.250000 MHz | 7.00 x 5.00 x 1.60 mm | LV-PECL | 2.375 to 2.625 V | -20 to 70 °C |
| X1M0004110026 | MG7050EAN | 312.500000 MHz | 7.00 x 5.00 x 1.60 mm | LV-PECL | 2.970 to 3.630 V | -5 to 85 °C |
服务热线:0755-27839045
Q Q联系:262320519
邮箱:szceob2b@163.com


