爱普生HCSL输出振荡器,MG7050HAN,X1M0004310010,6G存储晶振,日本进口晶振,EPSON爱普生晶振,型号:MG7050HAN,编码为:X1M0004310010,频率为:156.250000 MHz,小体积晶振尺寸:7.0x5.0x1.6mm,HCSL输出差分晶振,电源电压2.5V/3.3V,14垫脚贴片晶振,有源晶振,石英晶振,石英晶体振荡器,具有超小型,轻薄型,低相位噪声,低抖动,低功耗,低电源电压,满足低消耗电流的特点。本产品是利用锯波谐振器的基本振荡的HCSL输出的高频振荡器。这实现了频率为100~200MHz的低抖动和低噪声,MG7050HAN有源晶振适用于服务器、存储,网络,通讯设备,路由器,交换机、物联网,无线网络,蓝牙模块晶振,SATA,SAS,光纤通信,10G以太网等应用。
爱普生HCSL输出振荡器,MG7050HAN,X1M0004310010,6G存储晶振,参数图
Item
Symbol
MG7050HAN
Conditions / Remarks
Output frequency range
f0
156.250000MHz
Please contact us about available frequencies.
100MHz , 125MHz , 156.25MHz , 200MHz
Standard frequency
Supply voltage
VCC
D : 2.5V ± 0.125V
C : 3.3V ± 0.33V
VCC1 and VCC2 need same voltage
Storage temperature
T_stg
-55°C to +125°C
Store as bare product after packing
Operating temperature
T_use
A : 0°C to +70°C
B : -20°C to +70°C
D : -5°C to +85°C
Frequency tolerance *1
f_tol
J : ± 50 × 10-6
L : ±100 × 10-6
Current consumption
ICC
55 mA Typ.
60 mA Typ.
2-outputs
OE = VCC
84 mA Max.
90 mA Max.
with L_HCSL
95 mA Typ.
100 mA Typ.
4-outputs
128 mA Max.
136 mA Max.
Disable current
I_dis
11 mA Typ.
12 mA Typ.
2-outputs
OE = GND
23 mA Max.
25 mA Max.
15 mA Typ.
16 mA Typ.
4-outputs
28 mA Max.
30 mA Max.
Symmetry
SYM
45%to 55%
At outputs crossing point
Output voltage
VOH
0.66 V to 0.85 mV
DC characteristics
VOL
-0.15 V to 0.15 V
Output load condition
L_HCSL
50Ω or 42.2Ω, with CL = 2pF,
Rs = 33Ω or 27Ω
Input voltage
VIH
70% VCC Min.
OE and ZSEL terminals
VIL
30% VCC Max.
Rise time / Fall time
Rr / Rf
1 V/ns to 4 V/ns
Between -0.15 V and 0.15 V of differential output.
Start-up time
t_str
5 ms Typ., 10 ms Max.
Time at minimum supply voltage to be 0 s
Phase Jitter
tPJ
0.19 ps Typ.
0.16 ps Typ.
f0 = 100MHz
Offset frequency:
0.18 ps Typ.
0.15 ps Typ.
f0 = 125MHz
12kHz to 20MHz
0.16 ps Typ.
0.13 ps Typ.
f0 = 156.25MHz
0.14 ps Typ.
0.12 ps Typ.
f0 = 200MHz
0.3 ps Max.
Skew
t_skew
20ps Typ. 50ps Max.
FSEL = H
Aging
f_aging
N : ± 10 × 10-6 / year Max.
First year
+25°C,
A : Included in Frequency tolerance *2
10 years
VCC = 2.5V , 3.3V
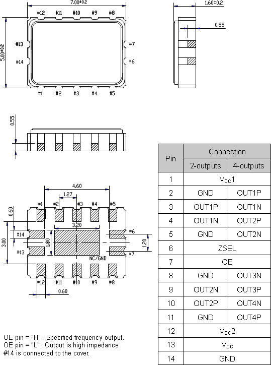
爱普生HCSL输出振荡器,MG7050HAN,X1M0004310010,6G存储晶振,尺寸图
爱普生HCSL输出振荡器,MG7050HAN,X1M0004310010,6G存储晶振
产品特点:
超低抖动:最大0.3ps。
2或4个输出,能够减少扇出
缓冲器
频率范围:100MHz至200MHz
电源电压:2.5V/3.3V
外形尺寸:7.0×5.0×1.6 mm
输出:HCSL(2或4个输出)石英晶体振荡器
ZSEL选择输出阻抗
无铅
符合欧盟RoHS指令
应用程序:服务器、存储,网络等
| 贴片石英晶振 | 型号 | 频率 | 尺寸 | 输出方式 | 电源电压 | 工作温度 |
| X1M0000910001 | EG-2102CA | 100.000000 MHz | 7.00 x 5.00 x 1.20 mm | HCSL | 3.000 to 3.600 V | 0 to 70 °C |
| X1M0000910002 | EG-2102CA | 100.000000 MHz | 7.00 x 5.00 x 1.20 mm | HCSL | 3.000 to 3.600 V | 0 to 70 °C |
| X1M0000910003 | EG-2102CA | 100.000000 MHz | 7.00 x 5.00 x 1.20 mm | HCSL | 3.000 to 3.600 V | 0 to 70 °C |
| X1M0000910004 | EG-2102CA | 100.000000 MHz | 7.00 x 5.00 x 1.20 mm | HCSL | 3.000 to 3.600 V | -5 to 85 °C |
| X1M0000910005 | EG-2102CA | 100.000000 MHz | 7.00 x 5.00 x 1.20 mm | HCSL | 3.000 to 3.600 V | -20 to 70 °C |
| X1M0000910006 | EG-2102CA | 100.000000 MHz | 7.00 x 5.00 x 1.20 mm | HCSL | 3.000 to 3.600 V | 0 to 70 °C |
| X1M0000910007 | EG-2102CA | 100.000000 MHz | 7.00 x 5.00 x 1.20 mm | HCSL | 3.000 to 3.600 V | -5 to 85 °C |
| X1M0000910008 | EG-2102CA | 156.250000 MHz | 7.00 x 5.00 x 1.20 mm | HCSL | 3.000 to 3.600 V | 0 to 70 °C |
| X1M0000910009 | EG-2102CA | 312.500000 MHz | 7.00 x 5.00 x 1.20 mm | HCSL | 3.000 to 3.600 V | 0 to 70 °C |
| X1M0000910010 | EG-2102CA | 322.265625 MHz | 7.00 x 5.00 x 1.20 mm | HCSL | 3.000 to 3.600 V | -5 to 85 °C |
| X1M0001010002 | EG-2121CA | 100.000000 MHz | 7.00 x 5.00 x 1.20 mm | HCSL | 2.375 to 2.625 V | 0 to 70 °C |
| X1M0004310004 | MG7050HAN | 100.000000 MHz | 进口晶振 | HCSL | 2.970 to 3.630 V | -5 to 85 °C |
| X1M0004310006 | MG7050HAN | 100.000000 MHz | 7.00 x 5.00 x 1.60 mm | HCSL | 2.970 to 3.630 V | -5 to 85 °C |
| X1M0004310007 | MG7050HAN | 100.000000 MHz | 7.00 x 5.00 x 1.60 mm | HCSL | 2.970 to 3.630 V | 0 to 70 °C |
| X1M0004310008 | MG7050HAN | 100.000000 MHz | 7.00 x 5.00 x 1.60 mm | HCSL | 2.970 to 3.630 V | -5 to 85 °C |
| X1M0004310009 | MG7050HAN | 100.000000 MHz | 7.00 x 5.00 x 1.60 mm | HCSL | 2.970 to 3.630 V | -20 to 70 °C |
| X1M0004310010 | MG7050HAN | 156.250000 MHz | 7.00 x 5.00 x 1.60 mm | HCSL | 2.970 to 3.630 V | -20 to 70 °C |
| X1M0004310011 | MG7050HAN | 156.250000 MHz | 7.00 x 5.00 x 1.60 mm | HCSL | 2.970 to 3.630 V | -20 to 70 °C |
| X1M0004610001 | XG5032HAN | 100.000000 MHz | 5.00 x 3.20 x 1.40 mm | HCSL | 2.375 to 2.625 V | 0 to 70 °C |
| X1M0004610002 | XG5032HAN | 100.000000 MHz | 5.00 x 3.20 x 1.40 mm | HCSL | 2.970 to 3.630 V | 0 to 70 °C |
| X1M0004610003 | XG5032HAN | 100.000000 MHz | 5.00 x 3.20 x 1.40 mm | HCSL | 2.970 to 3.630 V | -5 to 85 °C |
| X1M0004610006 | XG5032HAN | 100.000000 MHz | 5.00 x 3.20 x 1.40 mm | HCSL | 2.970 to 3.630 V | -5 to 85 °C |
服务热线:0755-27839045
Q Q联系:262320519
邮箱:szceob2b@163.com


