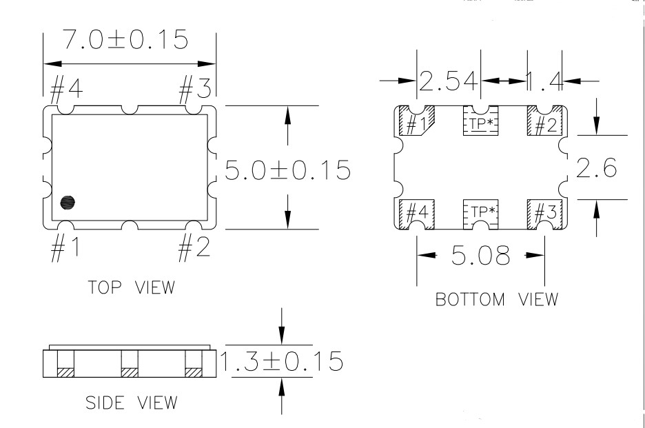
瑞萨HCMOS晶体振荡器,XUH735033.333000X,通讯设备6G晶振,进口晶振,Renesas瑞萨电子晶振,XUH系列晶振,编码为:XUH735033.333000X,频率为:33.333MHz,小体积晶振尺寸:7.0x5.0mm,六脚贴片晶振,石英晶体振荡器,石英晶振,有源晶振。XUH是一个HCMOS晶体振荡器,具有超过12kHz到20MHz带宽的300fs典型相位抖动。XUH系列的频率从0.016MHz到167MHz的宽范围,采用了一系列专有的asic,重点关注降噪技术。四阶西格玛调制器将噪声降低到可与传统的大块石英和锯纹波振荡器相媲美的水平。进口晶振XUH具有较短的前置时间、低成本、低噪声、较宽的频率范围、优异的环境性能,是一种超越传统技术的优良选择。XUH的稳定性高达±20ppm,具有非常快的标准和自定义频率传输。应用于:移动通讯设备,无线网络,蓝牙模块,物联网,导航仪,汽车电子设备,医疗设备,安防设备,数码电子等应用。
| Parameter | Symbol | Condition | Min | Typ | Max | Units | ||||||||||||||||||
| Output Frequency Range | FOUTR | |
|
33.333 | |
MHz | ||||||||||||||||||
| Frequency Stability | |
Temperature = -20°C to +70°C | ±20 | |
±100 | ppm | ||||||||||||||||||
| |
Temperature = -40°C to +85°C | ±25 | |
±100 | ppm | |||||||||||||||||||
| Output Load | |
|
|
|
10 | pF | ||||||||||||||||||
| Start-up Time | TST | Output valid time after VDD meets minimum specified level |
|
|
10 | ms | ||||||||||||||||||
| Output Rise Time | |
10% to 90% VDD, Standard Frequencies | |
5 | |
ns | ||||||||||||||||||
| Output Fall Time | |
90% to 10% VDD, Standard Frequencies | |
5 | |
ns | ||||||||||||||||||
| Output Clock Duty Cycle | TDTCY | @ 50% V DD | 40 | |
60 | % | ||||||||||||||||||
| Output Enable/ Disable Time | TOE | |
|
|
100 | ns | ||||||||||||||||||
| Period Jitter, RMS | J PER | Frequency = 62.5MHz | |
7 | |
psec | ||||||||||||||||||
| Random Jitter | RJ | Frequency = 62.5MHz Per MJSQ spec (Methodologies for Jitter and Signal Quality specifications) |
|
0.9 | |
psec | ||||||||||||||||||
| Deterministic Jitter | DJ | |
10 | |
psec | |||||||||||||||||||
| Total Jitter | TJ | |
20 | |
psec | |||||||||||||||||||
| Phase Jitter (12kHz – 20MHz) | φJITTER | Frequency = 62.5MHz | |
800 | 1200 | fsec | ||||||||||||||||||
| Phase Noise Performance Frequency = 62.5MHz |
φNOISE | 100Hz of Carrier | |
-94 | |
dBc/Hz | ||||||||||||||||||
| 1kHz of Carrier | |
-113 | |
dBc/Hz | ||||||||||||||||||||
| 10kHz of Carrier | |
-123 | |
dBc/Hz | ||||||||||||||||||||
| 100kHz of Carrier | |
-128 | |
dBc/Hz | ||||||||||||||||||||
| 1MHz of Carrier | |
-152 | |
dBc/Hz | ||||||||||||||||||||
| 10MHz of Carrier | |
-155 | |
dBc/Hz | ||||||||||||||||||||
| Output Frequency (Standards) | F OUT | 10MHz, 12MHz, 12.288MHz, 16MHz, 20MHz, 24MHz, 24.576MHz, 25MHz, 33.333MHz,40MHz, 48MHZ, 50MHz, 62.5MHz (Contact IDT for additional frequencies) |
||||||||||||||||||||||
瑞萨HCMOS晶体振荡器,XUH735033.333000X,通讯设备6G晶振
| 有源晶振 | 品牌 | 描述 | 系列 |
| XUH536156.250JS4I | Renesas晶振 | XTAL OSC XO 156.2500MHZ HCMOS | XUH |
| XUH736156.250JU4I | Renesas晶振 | XTAL OSC XO 156.2500MHZ HCMOS | XUH |
| XUH518027.120000X | Renesas晶振 | CLCC 5.00X3.20X1.10 MM, 2.54MM P | XUH |
| XUH538024.576000X | Renesas晶振 | CLCC 5.00X3.20X1.10 MM, 2.54MM P | XUH |
| XUH738016.125000X | Renesas晶振 | CLCC 7.00X5.00X1.30 MM, 2.54MM P | XUH |
| XUH738044.736000X | Renesas晶振 | CLCC 7.00X5.00X1.30 MM, 2.54MM P | XUH |
| XUH518033.333333X | Renesas晶振 | CLCC 5.00X3.20X1.10 MM, 2.54MM P | XUH |
| XUH738025.000000X | Renesas晶振 | CLCC 7.00X5.00X1.30 MM, 2.54MM P | XUH |
| XUH738072.000000X | Renesas晶振 | XTAL OSC XO 72.0000MHZ HCMOS SMD | XUH |
| XUH738022.579200X | Renesas晶振 | CLCC 7.00X5.00X1.30 MM, 2.54MM P | XUH |
| XUH538027.000000X | Renesas晶振 | CLCC 5.00X3.20X1.10 MM, 2.54MM P | XUH |
| XUH538022.579200X | Renesas晶振 | CLCC 5.00X3.20X1.10 MM, 2.54MM P | XUH |
| XUH728025.000000X | Renesas晶振 | CLCC 7.00X5.00X1.30 MM, 2.54MM P | XUH |
| XUH728020.000000X | Renesas晶振 | CLCC 7.00X5.00X1.30 MM, 2.54MM P | XUH |
| XUH538013.000000X | Renesas晶振 | CLCC 5.00X3.20X1.10 MM, 2.54MM P | XUH |
| XUH728016.125000X | Renesas晶振 | CLCC 7.00X5.00X1.30 MM, 2.54MM P | XUH |
| XUH538067.108864X | Renesas晶振 | CLCC 5.00X3.20X1.10 MM, 2.54MM P | XUH |
| XUH538125.000000X | Renesas晶振 | CLCC 5.00X3.20X1.10 MM, 2.54MM P | XUH |
| XUH535004.000000X | Renesas晶振 | XTAL OSC XO 4.0000MHZ LVCMOS SMD | XUH |
| XUH735033.333000X | Renesas晶振 | XTAL OSC XO 33.3330MHZ LVCMOS | XUH |
| XUH730060.000000X | Renesas晶振 | XTAL OSC XO 60.0000MHZ LVCMOS | XUH |
| XUH730080.000000I | Renesas晶振 | XTAL OSC XO 80.0000MHZ LVCMOS | XUH |
| XUH736030.720000X | 贴片晶振 | XTAL OSC XO 30.7200MHZ LVCMOS | XUH |
| XUH515045.125000I | Renesas晶振 | XTAL OSC XO 45.1250MHZ LVCMOS | XUH |
| XUH525125.000000I | Renesas晶振 | XTAL OSC XO 125.0000MHZ LVCMOS | XUH |
| XUH715066.600000I | Renesas晶振 | XTAL OSC XO 66.6000MHZ LVCMOS | XUH |
| XUH715040.000000X | Renesas晶振 | XTAL OSC XO 40.0000MHZ LVCMOS | XUH |
| XUH736033.000000I | Renesas晶振 | XTAL OSC XO 33.0000MHZ LVCMOS | XUH |
| XUH716050.000000I | Renesas晶振 | XTAL OSC XO 50.0000MHZ LVCMOS | XUH |
| XUH516033.333300I | Renesas晶振 | XTAL OSC XO 33.3333MHZ LVCMOS | XUH |
| XUH536090.000000I | Renesas晶振 | XTAL OSC XO 90.0000MHZ LVCMOS | XUH |
| XUH536005.000000I8 | Renesas晶振 | XTAL OSC XO 5.0000MHZ LVCMOS SMD | XUH |
| XUH516012.000000I | Renesas晶振 | XTAL OSC XO 12.0000MHZ LVCMOS | XUH |
| XUH515100.000000K | Renesas晶振 | XTAL OSC XO 100.0000MHZ LVCMOS | XUH |
| XUH715024.000000K | Renesas晶振 | XTAL OSC XO 24.0000MHZ LVCMOS | XUH |
| XUH535008.000000K | Renesas晶振 | XTAL OSC XO 8.0000MHZ LVCMOS SMD | XUH |
| XUH535025.000000K | Renesas晶振 | XTAL OSC XO 25.0000MHZ LVCMOS | XUH |
| XUH738020.000000X | Renesas晶振 | CLCC 7.00X5.00X1.30 MM, 2.54MM P | XUH |
| XUH538010.000000X | Renesas晶振 | CLCC 5.00X3.20X1.10 MM, 2.54MM P | XUH |
| XUH538020.000000X | Renesas晶振 | CLCC 5.00X3.20X1.10 MM, 2.54MM P | XUH |
| XUH538040.000000X | Renesas晶振 | CLCC 5.00X3.20X1.10 MM, 2.54MM P | XUH |
| XUH535003.686000I | Renesas晶振 | XTAL OSC XO 3.6860MHZ LVCMOS SMD | XUH |
| XUH510100.000000X | Renesas晶振 | CLCC 5.00X3.20X1.10 MM, 2.54MM P | XUH |
| XUH535000.127700K | Renesas晶振 | CLCC 5.00X3.20X1.10 MM, 2.54MM P | XUH |
| XUH535000.050000X | Renesas晶振 | CLCC 5.00X3.20X1.10 MM, 2.54MM P | XUH |
| XUH515020.000000K | Renesas晶振 | CLCC 5.00X3.20X1.10 MM, 2.54MM P | XUH |
| XUH535025.000000X | Renesas晶振 | CLCC 5.00X3.20X1.10 MM, 2.54MM P | XUH |
| XUH735027.115000X | Renesas晶振 | CLCC 7.00X5.00X1.30 MM, 2.54MM P | XUH |
| XUH535100.000000X | Renesas晶振 | CLCC 5.00X3.20X1.10 MM, 2.54MM P | XUH |
| XUH735027.000000X | Renesas晶振 | CLCC 7.00X5.00X1.30 MM, 2.54MM P | XUH |
| XUH535000.192000X | Renesas晶振 | CLCC 5.00X3.20X1.10 MM, 2.54MM P | XUH |
| XUH735048.000000X | Renesas晶振 | CLCC 7.00X5.00X1.30 MM, 2.54MM P | XUH |
| XUH735050.000000X | Renesas晶振 | CLCC 7.00X5.00X1.30 MM, 2.54MM P | XUH |
| XUH730049.700000X | Renesas晶振 | CLCC 7.00X5.00X1.30 MM, 2.54MM P | XUH |
| XUH715075.000000X | Renesas晶振 | MULTIMKT-TIMING | XUH |
| XUH535017.177600X | Renesas晶振 | CLCC 5.00X3.20X1.10 MM, 2.54MM P | XUH |
| XUH535048.000000X | Renesas晶振 | CLCC 5.00X3.20X1.10 MM, 2.54MM P | XUH |
| XUH730004.800000X | Renesas晶振 | CLCC 7.00X5.00X1.30 MM, 2.54MM P | XUH |
| XUH510133.333000X | Renesas晶振 | CLCC 5.00X3.20X1.10 MM, 2.54MM P | XUH |
| XUH535000.042000X | Renesas晶振 | CLCC 5.00X3.20X1.10 MM, 2.54MM P | XUH |
| XUH535024.000000X | Renesas晶振 | CLCC 5.00X3.20X1.10 MM, 2.54MM P | XUH |
| XUH535012.000000X | Renesas晶振 | CLCC 5.00X3.20X1.10 MM, 2.54MM P | XUH |
| XUH525010.000000X | Renesas晶振 | CLCC 5.00X3.20X1.10 MM, 2.54MM P | XUH |
| XUH535000.044000X | Renesas晶振 | CLCC 5.00X3.20X1.10 MM, 2.54MM P | XUH |
| XUH535000.096000X | Renesas晶振 | CLCC 5.00X3.20X1.10 MM, 2.54MM P | XUH |
| XUH525024.000000X | Renesas晶振 | CLCC 5.00X3.20X1.10 MM, 2.54MM P | XUH |
| XUH530000.460800X | Renesas晶振 | CLCC 5.00X3.20X1.10 MM, 2.54MM P | XUH |
| XUH715125.000000X | Renesas晶振 | XTAL OSC XO 125.0000MHZ LVCMOS | XUH |
| XUH530000.032768X | Renesas晶振 | XTAL OSC XO 32.7680KHZ LVCMOS | XUH |
| XUH518090.000000X | Renesas晶振 | XTAL OSC XO 90.0000MHZ LVCMOS | XUH |
服务热线:0755-27839045
Q Q联系:262320519
邮箱:szceob2b@163.com


