
Greenray晶振,恒温晶体振荡器,YH1300晶振.本身带有保持恒定温度功能,输出方式是CMOS,因产品性能稳定,精度高等优势,被广泛应用到一些比较高端的数码通讯产品领域,GPS全球定位系统,智能手机,WiMAX和蜂窝和无线通信等产品,符合RoHS/无铅.
Greenray格林雷工业是一家领先的精密晶体振荡器,贴片晶振,有源晶振,石英晶体振荡器制造商.我们所生产的有源晶振,贴片晶振,温补振荡器都是符合ITAR标准的,我们的质量管理体系认证为ISO:9001标准.购买的所有部件和材料都是经过检查严格按照标准并且符合RoHS标准的制造商所提供.
|
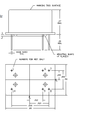
型号 |
YH1300晶振(OCXO) |
|
|
输出频率范围 |
10MHz to 50 MHz |
|
|
标准频率 |
16.3676MHz/16.367667MHz/16.368MHz/16.369MHz/16.8MHz/26MHz/33.6MHz |
|
|
电源电压范围 |
+3.3V~+5.0V |
|
|
电源电压(Vcc) |
+3.3V/+5.0V |
|
|
消耗电流 |
+1.5mA max.(f≦26MHz)/+2.0mA max.(26<f≦52MHz) |
|
|
待机时电流 |
-请联系我们以便获取相关的信息,http://www.jingzhen95.com/ |
|
|
输出电压 |
0.8Vp-p min.(f≦52MHz)(削峰正弦波/DC-coupled) |
|
|
输出负载 |
10kΩ//10pF |
|
|
频率稳定度 |
常温偏差 |
±2.0×10-6 max.(After 2 reflows) |
|
温度特性 |
±0.5×10-6,±2.5×10-6 max./-30?+85℃ |
|
|
电源电压特性 |
±0.2×10-6 max.(VCC ±5%) |
|
|
负载变化特性 |
±0.2×10-6 max.(10kΩ//10pF±10%) |
|
|
长期变化 |
±1.0×10-6 max./year |
|
|
频率控制 |
控制灵敏度 |
- |
|
频率控制极性 |
- |
|
|
启动时间 |
2.0ms max. |
|


噪音
在电源或输入端上施加执行级别(过高)的不相干(外部的)噪音,可能导致会引发功能失常或击穿的闭门或杂散现象。Greenray晶振,恒温晶体振荡器,YH1300晶振
电源线路
电源的线路阻抗应尽可能低。
输出负载
建议将输出负载安装在尽可能靠近有源晶振的地方(在20 mm范围之间)。
未用输入终端的处理
未用针脚可能会引起噪声响应,从而导致非正常工作。同时,当P通道和N通道都处于打开时,电源功率消耗也会增加;因此,请将未用输入终端连接到VCC 或GND。
热影响
重复的温度巨大变化可能会降低受损害的进口晶体振荡器的产品特性,并导致塑料封装里的线路击穿。必须避免这种情况。
安装方向
进口晶体振荡器的不正确安装会导致故障以及崩溃,因此安装时,请检查安装方向是否正确。
通电
不建议从中间电位和/或极快速通电,否则会导致OCXO晶振无法产生振荡和/或非正常工作。

Greenray晶振减少污染物排放,对不可再生的资源进行有效利用.减少废物的产生,对其排放的责任进行有效管理,有效地使用能源.通过石英晶振,贴片晶振,温补晶振,OCXO振荡器,石英晶体振荡器设计工艺程序对员工进行培训保护环境以及人们的健康和安全.提供安全使用和废置我们的产品的信息,对环境有重大健康安全和环境的运营现状进行纠正.
对我们的产品进行检验,同时告知我们的员工顾客以及公众,如何安全的使用,如何使用对环境影响较小,帮助我们的雇员合同方商业伙伴服务提供上理解他们的行为如何影响着环境.
Greenray格林雷晶振集团将有效率的使用自然资源和能源,以便从源头减少生产长方形插件石英晶体振荡器过程废物产生和排放.我们将在关注于预防环境和安全事故,保护公众健康的同时,努力改进我们的操作.我公司将积极参与加强公众环境、健康和安全意识的活动,提高公众对普遍的环境、健康和安全问题的注意.
我们将依据技术进步以及对安全、健康和环境科学全新的解释持续地改进我们的业务.Greenray晶振,恒温晶体振荡器,YH1300晶振
我们将追求在资源利用上的零废物率.压电石英晶体元器件、压电石英晶体、恒温石英晶体振荡器、有源晶体原材料将得到循环和再利用以最大限度地减少对其处理量,同时节约资源.在废物的滋生地,废物将被安全、负责地处理掉.

服务热线:0755-27839045
Q Q联系:262320519
邮箱:szceob2b@163.com


