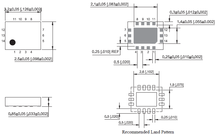
频率:10~460MHz 尺寸:3.2*2.5mm
小型SMD有源晶振,更高的稳定性能,接缝密封石英晶体振荡器,精度高,覆盖频率范围宽的特点,SMD高速自动安装和高温回流焊设计,Optionable待机输出三态输出功能,电源电压范围:1.8V?5 V,高稳定性,低抖动,低功耗,主要应用领域:无线通讯,高端智能手机,平板笔记本WLAN,蓝牙,数码相机,DSL和其他IT产品的晶振应用,三态功能,PC和LCDM等高端数码领域,符合RoHS/无铅.

Abracon晶振,ASEMCLP晶振,3225贴片晶振,Abracon晶振于1992年8月在德克萨斯州正式成立, ,愿成为全球顶级石英晶振制造商,为实现这一宏愿Abracon晶振在其加州设置国家级别的艺术工程实验室.并在北美和海外建立投资。Abracon llc晶振集团已通过iso9001:2008认证,在加州和伊利诺斯州拥有设计和应用工程资源;在得克萨斯州、加利福尼亚州、中国、台湾、新加坡、苏格兰和德国的销售办事处,主要生产销售石英晶振,石英晶体,贴片晶振,石英晶体振荡器,有源晶振等.

|
项目 |
符号 |
ASEMCLP晶振规格说明 |
条件 |
|
输出频率范围 |
f0 |
10MHz to 460MHz |
请联系我们以便获取其它可用频率的相关信息 |
|
电源电压 |
VCC |
2.25 V to 3.6 V |
请联系我们以了解更多相关信息 |
|
储存温度 |
T_stg |
-55℃ to +150℃ |
裸存 |
|
工作温度 |
T_use |
-20℃ to +70℃ |
请联系我们查看更多资料http://www.jingzhen95.com/ |
|
|
|||
|
频率稳定度 |
f_tol |
J: ±10 × 10-6 |
|
|
L: ±10 × 10-6 |
|||
|
T: ±25 × 10-6 |
|||
|
功耗 |
ICC |
23 mA Max. |
无负载条件、最大工作频率 |
|
待机电流 |
I_std |
1μA Max. |
ST=GND |
|
占空比 |
SYM |
45 % to 55 % |
50 % VCC 极, L_CMOS≦15 pF |
|
输出电压 |
VOH |
VCC-0.4V Min. |
|
|
VOL |
0.4 V Max. |
|
|
|
输出负载条件 |
L_CMOS |
15 pF Max. |
|
|
输入电压 |
VIH |
80% VCC Max. |
ST 终端 |
|
VIL |
20 % VCC Max. |
||
|
上升/下降时间 |
tr / tf |
20 ns Max. |
20 % VCC to 80 % VCC 极, L_CMOS=15 pF |
|
振荡启动时间 |
t_str |
5 ms Max. |
t=0 at 90 % |
|
频率老化 |
f_aging |
±5 × 10-6 / year Max. |
+25 ℃, 初年度,第一年 |


所有产品的共同点
请勿用镊子或任何坚硬的工具,夹具直接接触IC的表面。
使用环境(温度和湿度)
请在规定的温度范围内使用耐高温晶振。这个温度涉及本体的和季节变化的温度。在高湿环境下,会由于凝露引起故障。请避免凝露的产生。
激励功率
在晶体单元上施加过多驱动力,会导致晶振特性受到损害或破坏。电路设计必须能够维持适当的激励功率 (请参阅“激励功率”章节内容)。
负极电阻
除非振荡回路中分配足够多的负极电阻,否则振荡或振荡启动时间可能会增加(请参阅“关于振荡”章节内容)。
负载电容
振荡电路中负载电容的不同,可能欧美进口晶振导致振荡频率与设计频率之间产生偏差。试图通过强力调整,可能只会导致不正常的振荡。在使用之前,请指明该振动电路的负载电容(请参阅“负载电容”章节内容)。

Abracon晶振集团环保方针
Abracon晶振集团环保环境与发展对策:实行可持续发展战略.采取有效措施,防治工业污染.提高能源利用效率,改善能源结构.运用经济手段保护环境.大力推进科技进步,加强环境科学研究,积极发展环境保护产业.健全环境法规,强化环境管理.加强环境教育,不断提高环境意识.
无论Abracon llc晶振集团在世界何处,其经营都应保证生产过程和产品符合同等的环境标准,确保业务合作伙伴对环境问题同等关注.从事并参与环境领域的研究和开发活动,以公开和客观的方式提供有关其环境影响的信息.
Abracon llc晶振减少污染物排放,对不可再生的资源进行有效利用.减少废物的产生,对其排放的责任进行有效管理,有效地使用能源.通过设计工艺程序对员工进行培训保护环境以及人们的健康和安全.提供安全使用和废置我们的3225晶振的信息,对环境有重大健康安全和环境的运营现状进行纠正.
Abracon llc晶振保持就健康安全环境问题与临近摄取进行对话.通过在环境控制方面实施优秀的管理实践,以保护环境和与强生公司全球运作相关的自然资源.
向员工灌输环境价值观,在所有的压控晶体振荡器(VCXO),有源晶体和生产过程中应用最佳环境实用技术,为全球可持续发展做出贡献.Abracon晶振,ASEMCLP晶振,3225贴片晶振

服务热线:0755-27839045
Q Q联系:262320519
邮箱:szceob2b@163.com



频率: 1~110MHz 尺寸:2.0*1.6mm,2.5*2.0mm,3.2*2.5mm,5.0*3.2mm,5.0*7.0mm
与普通石英晶振,石英晶体,石英振荡器相比,SiTime的MEMS振荡器提供了更高的性能.通过将硅的固有优势与SiTime晶振的专业技术结合起来,我们正在开发具有更多特性、高性能和无与伦比的优点的最具创新性的计时产品石英贴片晶振,石英晶体振荡器.