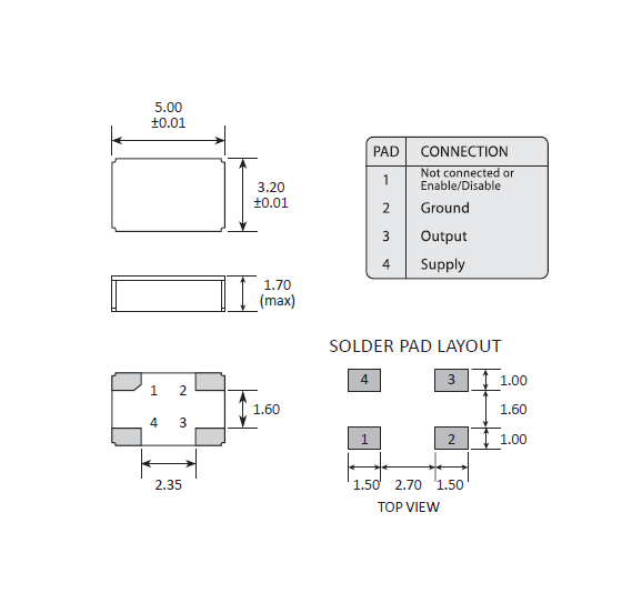
频率:10.0kHz ~ 225MHz 尺寸:5.0*3.2mm
5032mm体积的石英晶体振荡器有源晶振,改产品可驱动2.5V的温补晶振,压控晶振,VC-TCXO晶体振荡器产品,电源电压的低电耗型,编带包装方式,可对应自动高速贴片机自动焊接,及IR回流焊接(无铅对应),为无铅产品,超小型,质地轻.产品被广泛应用到集成电路,程控交换系统,无线发射基站.
高利奇晶振,有源晶振,MCSO2F晶振,高利奇晶振公司1990年成立,凭借对互联网和电子商务的承诺,我们能够支持客户最复杂和最苛刻的需求。多年来,我们一直努力保持我们的晶振,石英晶振,有源晶振,恒温晶体振荡器在频率控制市场的最前沿.在技术进步和商业世界的发展中,高利奇有足够的资源和灵活性来支持客户的需求.我们能够支持客户最复杂和最苛刻的需求.让我们有别于其他石英晶振晶体供应商是我们的员工的经验和能力。

|
项目 |
符号 |
MCSO2F晶振规格说明 |
条件 |
|
输出频率范围 |
f0 |
10.0kHz ~ 225MHz |
请联系我们以便获取其它可用频率的相关信息 |
|
电源电压 |
VCC |
+3.3V |
请联系我们以了解更多相关信息 |
|
储存温度 |
T_stg |
-65℃ to +125℃ |
裸存 |
|
工作温度 |
T_use |
G: -55℃ to +125℃ |
请联系我们查看更多资料http://www.jingzhen95.com |
|
|
|||
|
频率稳定度 |
f_tol |
|
|
|
L: ±100× 10-6 |
|||
|
功耗 |
ICC |
30mA |
无负载条件、最大工作频率 |
|
待机电流 |
I_std |
10μA Max. |
ST=GND |
|
占空比 |
SYM |
45 % to 55 % |
50 % VCC 极, L_CMOS≦15 pF |
|
输出电压 |
VOH |
VCC-0.4V Min. |
|
|
VOL |
0.4 V Max. |
|
|
|
输出负载条件 |
L_CMOS |
15 pF Max. |
|
|
输入电压 |
VIH |
10% VCC Max. |
ST 终端 |
|
VIL |
90 % VCC Max. |
||
|
上升/下降时间 |
tr / tf |
6ns Max. |
20 % VCC to 80 % VCC 极, L_CMOS=15 pF |
|
振荡启动时间 |
t_str |
5 ms Max. |
t=0 at 90 % |
|
频率老化 |
f_aging |
±3 × 10-6 / year Max. |
+25 ℃, 初年度,第一年 |


高利奇石英晶振公司通过BSI质量保证,获得了ISO 9001:2015的认证.BSI是世界领先的认证机构之一.

服务热线:0755-27839045
Q Q联系:262320519
邮箱:szceob2b@163.com

SSI012000I3CHE-T,HELE加高水晶振荡子,HSO531S时钟振荡器,尺寸5.0*3.2mm,频率12MHZ,频率稳定度±50ppm,工作电压3V~3.6V,工作温度-40℃~+85℃,台湾加高晶振,HELE有源晶振,石英晶体振荡器,石英有源晶振,OSC贴片振荡器,SMD振荡器,有源贴片晶振,Oscillator Crystal,有源晶体振荡器,石英振荡子,智能手机专用有源晶振,小型设备有源晶振,蓝牙音响有源晶振,测试设备有源晶振,无线模块有源晶振,室外基站有源晶振,无线路由器有源晶振,低电压有源晶振,低损耗有源晶振,低相位有源振荡器,低功耗有源晶振,高性能有源晶振,高品质有源晶振,低抖动有源晶振,低相噪有源晶振,具有良好的可靠性能.
OSC晶振产品常常用于智能手机,小型设备,蓝牙音响,测试设备,无线模块,室外基站,无线路由器等领域.SSI012000I3CHE-T,HELE加高水晶振荡子,HSO531S时钟振荡器.

频率:25MHZ 尺寸:14.0x9.8mm
智能手机晶振,产品具有高精度超小型的表面贴片型石英晶体振荡器,最适用于移动通信终端的基准时钟等移动通信领域.比如智能手机,无线通信,卫星导航,平台基站等较高端的数码产品

频率:32MHZ 尺寸:14.0x9.8mm
插件石英晶振最适合用于比较低端的电子产品,比如儿童玩具,普通家用电器,即使在汽车电子领域中也能使产品高可靠性的使用.并且可用于安全控制装置的CPU时钟信号发生源部分,好比时钟单片机上的石英晶振,在极端严酷的环境条件下,晶振也能正常工作,具有稳定的起振特性,高耐热性,耐热循环性和耐振性等的高可靠性能.