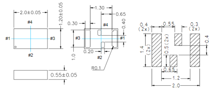
频率:32.768KHz 尺寸:2.0*1.2mm
此款SMD晶体并且可以承受回流焊接的高温,波峰焊接,回流焊接等,贴片表晶主要特点是该产品排带包装,焊接模式主要使用SMT焊接,给现代SMT工艺带来高速的工作效率,32.768K系列产品本身具有体积小,厚度薄,重量轻等特点。
Raltron晶振,CMC208晶振,32.768K贴片晶振,Raltron晶振公司在其位于迈阿密的工厂生产一些较为高端精密的石英晶体,贴片晶振,有源晶振以及过滤器,陶瓷谐振器,滤波器等则是在国内几个工厂生产.通过将这些产品从香港的物流中心运往世界各地,Raltron晶振公司全体员工均以追求完美的服务以及卓越的品质为工作理念.Raltron晶振通过线上销售来支持其全球客户,并且在亚洲有几家分支机构,所销售的石英晶体,贴片晶振,石英晶振,温补晶振,石英晶体振荡器等由几家大型全球分销商发行.
|
项目 |
符号 |
CMC208规格说明 |
条件 |
|
输出频率范围 |
f0 |
32.768KHz |
请联系我们以便获取其它可用频率的相关信息 |
|
电源电压 |
VCC |
1.50 V to 3.63 V |
请联系我们以了解更多相关信息 |
|
储存温度 |
T_stg |
-40℃ to +85℃ |
裸存 |
|
工作温度
|
T_use
|
G: -20℃ to +70℃ |
请联系我们查看更多资料http://www.jingzhen95.com
|
|
H: -40℃ to +85℃ |
|||
|
频率稳定度
|
f_tol
|
J: ±5× 10-6 |
|
|
L: ±10 × 10-6 |
|||
|
T: ±20 × 10-6 |
|||
|
功耗 |
ICC |
3.5 mA Max. |
无负载条件、最大工作频率 |
|
待机电流 |
I_std |
1.3μA |
ST=GND |
|
占空比 |
SYM |
45 % to 55 % |
50 % VCC 极, L_CMOS≦15 pF |
|
输出电压 |
VOH |
VCC-0.4V Min. |
|
|
VOL |
0.4 V Max. |
|
|
|
输出负载条件 |
L_CMOS |
15 pF Max. |
|
|
输入电压 |
VIH |
80% VCC Max. |
ST 终端 |
|
VIL |
20 % VCC Max. |
||
|
上升/下降时间 |
tr / tf |
4 ns Max. |
20 % VCC to 80 % VCC 极, L_CMOS=15 pF |
|
振荡启动时间 |
t_str |
3 ms Max. |
t=0 at 90 % |
|
频率老化 |
f_aging |
±3 × 10-6 / year Max. |
+25 ℃, 初年度,第一年 |


石英晶振各项注意事项:
1:抗冲击
抗冲击是指晶振产品可能会在某些条件下受到损坏。例如从桌上跌落,摔打,高空抛压或在贴装过程中受到冲击。如果产品已受过冲击请勿使用。因为无论何种石英晶振,其内部晶片都是石英晶振制作而成的,高空跌落摔打都会给晶振照成不良影响。
2:辐射
将贴片晶振暴露于辐射环境会导致产品性能受到损害,因此应避免阳光长时间的照射。
3:化学制剂 / pH值环境
请勿在PH值范围可能导致腐蚀或溶解石英晶振或包装材料的环境下使用或储藏这些产品。
4:粘合剂
请勿使用可能导致石英晶振所用的封装材料,终端,组件,玻璃材料以及气相沉积材料等受到腐蚀的胶粘剂。(比如,氯基胶粘剂可能腐蚀一个晶振的金属“盖”,从而破坏密封质量,降低性能。
5:卤化合物
请勿在卤素气体环境下使用晶振。即使少量的卤素气体,比如在空气中的氯气内或封装所用金属部件内,都可能产生腐蚀。同时,请勿使用任何会释放出卤素气体的树脂。
6:静电
过高的静电可能会损坏贴片晶振,请注意抗静电条件。请为容器和封装材料选择导电材料。在处理的时候,请使用电焊枪和无高电压泄漏的测量电路,并进行接地操作。

Raltron晶振集团环保方针:
1.Raltron石英晶振集团加强环境意识教育,提高全员环境意识,充分调动职工的积极性,积极使用压电石英晶体元器件,32.768K有源晶振等环保型原材料,减少生产过程中的废弃物产生量,努力向相关方施加环境影响.
2.我们的活动、产品和服务首先要遵守和符合有关环境的法律和其他环境要求.努力探索生产中所使用的有毒有害物质的替代。
3.本着污染预防的思想,使我们的石英晶体振荡器,温补晶振更趋于绿色,提高本公司的社会形象.
4.要毫不松懈地抓好安全环保工作,坚持把“环保优先、安全第一、质量至上、以人为本”的理念落实到生产建设全过程.
5.深入贯彻落实科学发展观,牢固树立安全发展理念,强化责任,狠抓落实,加强防范,坚决遏制重特大事故发生.
6.Raltron晶振公司不断改进设计,优化工艺,调整工厂布局,采取相应措施,减少各种污染环境的因素,尽可能地节省资源和能源,积极保护厂区和周围地区的环境。
7.进一步解放思想,学习先进,总结实践,针对新形势、新情况,抓好理念创新,促进安全环保工作更加科学、更加有效.Raltron晶振,CMC208晶振,32.768K贴片晶振

服务热线:0755-27839045
Q Q联系:262320519
邮箱:szceob2b@163.com


