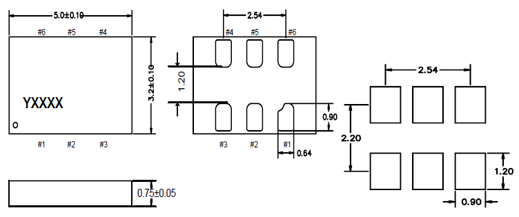
频率:25~212.5MHz 尺寸:5.0*3.2mm
5032mm体积的石英晶体振荡器有源晶振,改产品可驱动2.5V的温补晶振,压控晶振,VC-TCXO晶体振荡器产品,电源电压的低电耗型,编带包装方式,可对应自动高速贴片机自动焊接,及IR回流焊接(无铅对应),为无铅产品,超小型,质地轻.产品被广泛应用到集成电路,程控交换系统,无线发射基站.
Raltron晶振,CMP502晶振,有源贴片晶振,成立于迈阿密,在1983年,Raltron电子公司已经发展成为世界上最受认可和经验丰富的频率管理产品制造商之一。从简单的音叉晶体到高稳定性的石英晶体振荡器,Raltron提供业界最全面的频率管理设备。该公司对研发的承诺使多个领先的晶体和振荡器设备和技术不断创造。为了满足快速增长的无线应用市场的需求,Raltron晶振将自己打造成为一个完整的解决方案供应商,在它的有源晶体,石英水晶和晶体振荡器,贴片振荡器中添加了锯片和LTCC过滤器.该公司还为同一市场开发了一整套天线产品.
|
项目 |
符号 |
CMP502晶振规格说明 |
条件 |
|
输出频率范围 |
f0 |
25~212.5MHz |
请联系我们以便获取其它可用频率的相关信息 |
|
电源电压 |
VCC |
2.5V,3.3 V |
请联系我们以了解更多相关信息 |
|
储存温度 |
T_stg |
-40℃ to +85℃ |
裸存 |
|
工作温度
|
T_use
|
G: -20℃ to +70℃ |
请联系我们查看更多资料http://www.jingzhen95.com/
|
|
H: -40℃ to +85℃ |
|||
|
|
|||
|
频率稳定度
|
f_tol
|
J: ±10 × 10-6
±20 × 10-6
|
|
|
L: ±25 × 10-6 |
|||
|
T: ±50 × 10-6 |
|||
|
功耗 |
ICC |
4.2mA Max. |
无负载条件、最大工作频率 |
|
待机电流 |
I_std |
10μA Max. |
ST=GND |
|
占空比 |
SYM |
45 % to 55 % |
50 % VCC 极, L_CMOS≦15 pF |
|
输出电压 |
VOH |
VCC-0.4V Min. |
|
|
VOL |
0.4 V Max. |
|
|
|
输出负载条件 |
L_CMOS |
20 pF Max. |
|
|
输入电压 |
VIH |
80% VCC Max. |
ST 终端 |
|
VIL |
20 % VCC Max. |
||
|
上升/下降时间 |
tr / tf |
4 ns Max. |
20 % VCC to 80 % VCC 极, L_CMOS=15 pF |
|
振荡启动时间 |
t_str |
10 ms Max. |
t=0 at 90 % |
|
频率老化 |
f_aging |
±5× 10-6 / year Max. |
+25 ℃, 初年度,第一年 |


石英晶振各项注意事项:
晶体谐振器
如果过大的激励电力对石英晶体谐振器外加电压,有可能导致特性老化或损坏,因此请在宣传册、规格书中规定的范围内使用。
让无源晶振振荡的电路宽裕度大致为负性阻抗值。本公司推荐此负性阻抗为谐振器串联电阻规格值的5倍以上,若是车载和安全设备,则推荐10倍 以上。
晶体振荡器
石英晶体振荡器的内部电路使用C-MOS。闭锁、静电对策请和一般的C-MOS IC一样考虑。
有些有源晶振没有和旁路电容器进行内部连接。使用时,请在Vdd-GND之间用0.01μF左右的高频特性较好的电容器(陶瓷片状电容器等)以 最短距离连接。关于个别机型请确认宣传册、规格书。
晶体滤波器
注意电路板图形的配置,避免输入端子和输出端子靠得太近。
如果贴装晶体滤光片的电路板的杂散电容较大,为了消除该杂散电容,有时需要配置调谐电路。
如果过大的激励电力对谐振器外加电压,有可能导致特性老化或损坏,因此请在声表面滤波器的输入电平在−10dBm以下的状态下使用。
光学产品
由于制造过程中进行了灰尘等异物管理,因此包装开封以后,请在进行清洁度管理的环境中使用。

Raltron晶振集团环保方针:
尽可能地节省资源和能源,积极保护厂区和周围地区的环境,在本公司产品的生产与经营过程中充分考虑对环境的影响,为人类的健康生存和持续发展作出贡献.
在石英晶振,贴片晶振产品的整个生命周期内确定、评价和改进重要的环境、健康和安全因素.建立和维护以国际协定和国家环境、健康与安全法律法规为基础的企业内部标准.
深入贯彻落实科学发展观,牢固树立安全发展理念,强化责任,狠抓落实,加强防范,坚决遏制重特大事故发生.
要毫不松懈地抓好安全环保工作,坚持把“环保优先、安全第一、质量至上、以人为本”的理念落实到生产建设全过程.
Raltron石英晶振坚持运用,不断完善, (TCXO)温补晶体振荡器,石英晶振,5032石英晶振生产设备,持续改进,更要针对新情况、新问题,不断学习先进,总结经验,结合实际,及时改进旧方法,勇于摈弃落后方法.Raltron晶振,CMP502晶振,有源贴片晶振

服务热线:0755-27839045
Q Q联系:262320519
邮箱:szceob2b@163.com


