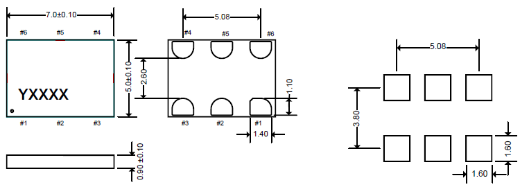
频率:25~212.5MHz 尺寸:5.0*7.0mm
小型SMD有源晶振,体积的变小也试产品带来了更高的稳定性能,接缝密封石英晶体振荡器,精度高,覆盖频率范围宽的特点,SMD高速自动安装和高温回流焊设计,高稳定性,低抖动,低功耗,主要应用领域:无线通讯,高端智能手机,平板笔记本WLAN,蓝牙,数码相机,DSL和其他IT产品的晶振应用,三态功能,PC和LCDM等高端数码领域,符合RoHS/无铅.
Raltron晶振,CMP702晶振,石英晶体振荡器,Raltron晶振公司成立于1983年,其位于迈阿密的工厂生产一些较为高端精密的石英晶体振荡器,有源晶振,温补振荡器.Raltron积极追求领先的晶体和振荡器技术,专注于满足客户需求。这确保了客户在当今全球市场上获得最具成本效益的频率管理产品。Raltron产品具有精确的频率容差和稳定性,宽频率范围,更小的封装,低相位噪声和抖动,最重要的是以非常有竞争力的价格满足或超越客户的规格。
|
项目 |
符号 |
CMP702晶振规格说明 |
条件 |
|
输出频率范围 |
f0 |
25~212.5MHz |
请联系我们以便获取其它可用频率的相关信息 |
|
电源电压 |
VCC |
1.8V,3.3 V |
请联系我们以了解更多相关信息 |
|
储存温度 |
T_stg |
-40℃ to +85℃ |
裸存 |
|
工作温度
|
T_use
|
G: -20℃ to +70℃ |
请联系我们查看更多资料http://www.jingzhen95.com/
|
|
H: -40℃ to +85℃ |
|||
|
|
|||
|
频率稳定度
|
f_tol
|
J: ±20 × 10-6 |
|
|
L: ±25× 10-6 |
|||
|
T: ±50 × 10-6 |
|||
|
功耗 |
ICC |
4.2 mA Max. |
无负载条件、最大工作频率 |
|
待机电流 |
I_std |
4.3μA Max. |
ST=GND |
|
占空比 |
SYM |
45 % to 55 % |
50 % VCC 极, L_CMOS≦15 pF |
|
输出电压 |
VOH |
VCC-0.4V Min. |
|
|
VOL |
0.4 V Max. |
|
|
|
输出负载条件 |
L_CMOS |
15 pF Max. |
|
|
输入电压 |
VIH |
80% VCC Max. |
ST 终端 |
|
VIL |
20 % VCC Max. |
||
|
上升/下降时间 |
tr / tf |
4 ns Max. |
20 % VCC to 80 % VCC 极, L_CMOS=15 pF |
|
振荡启动时间 |
t_str |
5 ms Max. |
t=0 at 90 % |
|
频率老化 |
f_aging |
±5× 10-6 / year Max. |
+25 ℃, 初年度,第一年 |


使用环境(温度和湿度)
请在规定的温度范围内使用石英晶振。这个温度涉及本体的和季节变化的温度。在高湿环境下,会由于凝露引起故障。请避免凝露的产生。
晶振/石英晶体振荡器
激励功率
在晶振上施加过多驱动力,会导致产品特性受到损害或破坏。电路设计必须能够维持适当的激励功率 (请参阅“激励功率”章节内容)。
负极电阻
除非石英晶体振荡器回路中分配足够多的负极电阻,否则振荡或振荡启动时间可能会增加(请参阅“关于振荡”章节内容)。
负载电容
有源晶振振荡电路中负载电容的不同,可能导致振荡频率与设计频率之间产生偏差。试图通过强力调整,可能只会导致不正常的振荡。在使用之前,请指明该振动电路的负载电容。
关于一般清洗液的使用以及超声波清洗没有问题,但这仅仅是对单个晶体产品进行试验所得的结果,因此请根据实际使用状态进行确认。Raltron晶振,CMP702晶振,石英晶体振荡器

Raltron石英晶振集团加强环境意识教育,提高全员环境意识,充分调动职工的积极性,积极使用压电石英晶体元器件、压电石英晶体、有源晶体、普通晶体振荡器,恒温晶体振荡器等环保型原材料,减少生产过程中的废弃物产生量,努力向相关方施加环境影响.
我们的活动、产品和服务首先要遵守和符合有关环境的法律和其他环境要求.努力探索生产中所使用的有毒有害物质的替代,本着污染预防的思想,使我们的晶体振荡器,有源晶振, 普通晶体振荡器,压控晶体振荡器更趋于绿色,提高本公司的社会形象.
深入贯彻落实科学发展观,牢固树立安全发展理念,强化责任,狠抓落实,加强防范,坚决遏制重特大事故发生.要毫不松懈地抓好安全环保工作,坚持把“环保优先、安全第一、质量至上、以人为本”的理念落实到生产建设全过程.
Raltron晶振公司不断改进设计,优化工艺,调整工厂布局,采取相应措施,减少各种污染环境的因素,尽可能地节省资源和能源,积极保护厂区和周围地区的环境,在本公司产品的生产与经营过程中充分考虑对环境的影响,为人类的健康生存和持续发展作出贡献.
Raltron石英晶振坚持运用,不断完善, (TCXO)温补晶体振荡器,石英晶振,7050贴片晶振生产设备,持续改进,更要针对新情况、新问题,不断学习先进,总结经验,结合实际,及时改进旧方法,勇于摈弃落后方法.
带动各项安全环保工作规范化、程序化、科学化管理,加快实现安全环保形势持续好转、根本好转的工作思路.进一步解放思想,学习先进,总结实践,针对新形势、新情况,抓好理念创新,促进安全环保工作更加科学、更加有效.Raltron晶振,CMP702晶振,石英晶体振荡器

服务热线:0755-27839045
Q Q联系:262320519
邮箱:szceob2b@163.com


