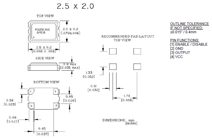
频率:0.75~75MHz 尺寸:2.5*2.0mm
石英晶体振荡器有源晶振,改产品可驱动2.5V的温补晶振,压控晶振,VC-TCXO晶体振荡器产品,电源电压的低电耗型,编带包装方式,可对应自动高速贴片机自动焊接,及IR回流焊接(无铅对应),为无铅产品,超小型,质地轻.产品被广泛应用到集成电路,程控交换系统,无线发射基站.
Raltron晶振,CO2520晶振,2520晶振,Raltron晶振公司成立于1983年,是全球较受欢迎的石英晶振,贴片晶振,压电石英晶体等频率产品制造商之一.Raltron积极努力追求一流的生产技术以满足客户的需求,满足客户对于质优价廉的石英晶振,贴片晶振,石英晶体振荡器等频率元件的市场需求.Raltron石英晶振,贴片晶体,石英晶体谐振器,石英晶体,压电石英晶体元器件、压电石英晶体、有源晶体具有精确的频率容差和稳定性,有源晶振的频率范围广,封装尺寸小,具有低相位噪声和低抖动等特点.
|
项目 |
符号 |
CO2520晶振规格说明 |
条件 |
|
输出频率范围 |
f0 |
0.75~75MHz |
请联系我们以便获取其它可用频率的相关信息 |
|
电源电压 |
VCC |
1.8V,2.5 V,3.0V,3.3V |
请联系我们以了解更多相关信息 |
|
储存温度 |
T_stg |
-40℃ to +85℃ |
裸存 |
|
工作温度
|
T_use
|
G: -20℃ to +70℃ |
请联系我们查看更多资料http://www.jingzhen95.com/
|
|
H: -40℃ to +85℃ |
|||
|
|
|||
|
频率稳定度
|
f_tol
|
J: ±25 × 10-6
±30 × 10-6 |
|
|
L: ±50 × 10-6 |
|||
|
T: ±100 × 10-6 |
|||
|
功耗 |
ICC |
30 mA Max. |
无负载条件、最大工作频率 |
|
待机电流 |
I_std |
70μA Max. |
ST=GND |
|
占空比 |
SYM |
45 % to 55 % |
50 % VCC 极, L_CMOS≦15 pF |
|
输出电压 |
VOH |
VCC-0.4V Min. |
|
|
VOL |
0.4 V Max. |
|
|
|
输出负载条件 |
L_CMOS |
15 pF Max. |
|
|
输入电压 |
VIH |
80% VCC Max. |
ST 终端 |
|
VIL |
20 % VCC Max. |
||
|
上升/下降时间 |
tr / tf |
4 ns Max. |
20 % VCC to 80 % VCC 极, L_CMOS=15 pF |
|
振荡启动时间 |
t_str |
10 ms Max. |
t=0 at 90 % |
|
频率老化 |
f_aging |
±5× 10-6 / year Max. |
+25 ℃, 初年度,第一年 |


石英晶振各项注意事项:
晶体谐振器
如果过大的激励电力对石英晶体谐振器外加电压,有可能导致特性老化或损坏,因此请在宣传册、规格书中规定的范围内使用。
让无源晶振振荡的电路宽裕度大致为负性阻抗值。本公司推荐此负性阻抗为谐振器串联电阻规格值的5倍以上,若是车载和安全设备,则推荐10倍 以上。
晶体振荡器
石英晶体振荡器的内部电路使用C-MOS。闭锁、静电对策请和一般的C-MOS IC一样考虑。
有些有源晶振没有和旁路电容器进行内部连接。使用时,请在Vdd-GND之间用0.01μF左右的高频特性较好的电容器(陶瓷片状电容器等)以 最短距离连接。关于个别机型请确认宣传册、规格书。
晶体滤波器
注意电路板图形的配置,避免输入端子和输出端子靠得太近。
如果贴装晶体滤光片的电路板的杂散电容较大,为了消除该杂散电容,有时需要配置调谐电路。
如果过大的激励电力对谐振器外加电压,有可能导致特性老化或损坏,因此请在声表面滤波器的输入电平在−10dBm以下的状态下使用。
光学产品
由于制造过程中进行了灰尘等异物管理,因此包装开封以后,请在进行清洁度管理的环境中使用。Raltron晶振,CO2520晶振,2520晶振

Raltron晶振集团环保方针:
Raltron晶振公司不断改进设计,优化工艺,调整工厂布局,采取相应措施,减少各种污染环境的因素,尽可能地节省资源和能源,积极保护厂区和周围地区的环境,在本公司的生产与经营过程中充分考虑对环境的影响,为人类的健康生存和持续发展作出贡献.
1.为环境保护和降低成本开发绿色技术.
2.为协调发展,共同参与社会的环境、健康与安全的改善活动.
3.在2520贴片晶振产品的整个生命周期内确定、评价和改进重要的环境、健康和安全因素.
4.建立和维护以国际协定和国家环境、健康与安全法律法规为基础的企业内部标准.
5.为防止事故的发生和制造清洁的生产环境,开发生产过程的安全技术,明确紧急状态反应的职责.
6.积极使用压电石英晶体元器件、压电石英晶体、有源晶体、(PXO)普通晶体振荡器,(TCXO)温补晶体振荡器,(OCXO)恒温晶体振荡器等环保型原材料,减少生产过程中的废弃物产生量,努力向相关方施加环境影响. Raltron晶振,CO2520晶振,2520晶振

服务热线:0755-27839045
Q Q联系:262320519
邮箱:szceob2b@163.com

Si599智能手环晶振/599BEC000121DG/Skyworks可编程振荡器,尺寸5.0*7.0mm,频率100MHZ,输出逻辑LVDS,电压3.3V,频率稳定性20ppm,思佳讯压控晶振,思佳讯差分晶振,欧美进口有源晶振,7050mm差分晶振,可编程差分晶振,可编程晶振,差分压控晶振,差分晶体振荡器,LVDS输出晶振,差分压控晶振,VCXO压控晶体振荡器,100MHZ差分晶振,低电压差分晶振,低功耗差分晶振,低抖动差分晶振,低相位差分晶振,低耗能差分晶振,低电压电压差分晶振,高质量差分晶振,高精度差分晶振,智能手环专用差分晶振,数字视频差分晶振,以太网差分晶振,光纤通道差分晶振,通讯模块差分晶振,物联网差分晶振,室外基站差分晶振,具有良好的可靠性能以及稳定性能。
差分晶振产品很适合用于智能手环,数字视频,以太网,光纤通道,通讯模块,物联网,室外基站等领域.Si599智能手环晶振/599BEC000121DG/Skyworks可编程振荡器.

频率:66.667MHZ 尺寸:5.0x3.2mm
贴片式石英晶体振荡器,低电压启动功率,并且有多种电压供选择,比如有1.8V,2.5V,3.3V,3.8V,5V等,产品被广泛应用于,平板笔记本,GPS系统,光纤通道,千兆以太网,串行ATA,串行连接SCSI,PCI-Express的SDH / SONET发射基站等领域.符合RoHS/无铅.

频率:28.636MHZ 尺寸:7.0x5.0mm
贴片式石英晶体振荡器,低电压启动功率,并且有多种电压供选择,比如有1.8V,2.5V,3.3V,3.8V,5V等,产品被广泛应用于,平板笔记本,GPS系统,光纤通道,千兆以太网,串行ATA,串行连接SCSI,PCI-Express的SDH / SONET发射基站等领域.符合RoHS/无铅.