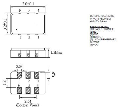
频率:50~180MHz 尺寸:5.0*3.2mm
有源晶振,是只晶体本身起振需要外部电压供应,起振后可直接驱动CMOS 集成电路,产品本身已实现与薄型IC(TSSOP封装,TVSOP封装)同样的1mm厚度,断开时的消费电流是15 µA以下,编带包装方式可对应自动搭载及IR回流焊接(无铅对应)产品有几种电压供选1.8V,2.5V,3V3.3V,5V,以应对不同IC产品需要
Raltron晶振,CP5032晶振,有源晶振,Raltron积极追求领先的有源晶体和振荡器技术,专注于满足客户需求。这确保了客户在当今全球市场上获得最具成本效益的频率管理产品。Raltron产品具有精确的频率容差和稳定性,宽频率范围,更小的封装,低相位噪声和抖动,最重要的是以非常有竞争力的价格满足或超越客户的规格。通过提供完整的无源元件封装,包括晶体,压控晶体振荡器,SAW滤波器,LTCC滤波器和平衡 - 不平衡转换器以及相应的IC解决方案规定的各种天线,Raltron也在追求快速增长的物联网和机器到机器市场。Raltron致力于通过投入大部分收入来持续增长,以深化现有客户关系,渗透新市场和开发尖端业绩新产品。
|
项目 |
符号 |
CP5032晶振规格说明 |
条件 |
|
输出频率范围 |
f0 |
50MHz to 180MHz |
请联系我们以便获取其它可用频率的相关信息 |
|
电源电压 |
VCC |
2..5 V , 3.3 V |
请联系我们以了解更多相关信息 |
|
储存温度 |
T_stg |
-55℃ to +125℃ |
裸存 |
|
工作温度
|
T_use
|
-10℃ to +70℃ |
请联系我们查看更多资料http://www.jingzhen95.com
|
| -40℃ to +85℃ | |||
|
频率稳定度
|
f_tol
|
J: ±25 × 10-6 |
|
|
L: ±5 0× 10-6 |
|||
|
T: ±100 × 10-6 |
|||
|
功耗 |
ICC |
100 mA Max. |
无负载条件、最大工作频率 |
|
待机电流 |
I_std |
4.3μA Max. |
ST=GND |
|
占空比 |
SYM |
45 % to 55 % |
50 % VCC 极, L_CMOS≦15 pF |
|
输出电压 |
VOH |
VCC-0.4V Min. |
|
|
VOL |
0.4 V Max. |
|
|
|
输出负载条件 |
L_CMOS |
15 pF Max. |
|
|
输入电压 |
VIH |
80% VCC Max. |
ST 终端 |
|
VIL |
20 % VCC Max. |
||
|
上升/下降时间 |
tr / tf |
4 ns Max. |
20 % VCC to 80 % VCC 极, L_CMOS=15 pF |
|
振荡启动时间 |
t_str |
5 ms Max. |
t=0 at 90 % |
|
频率老化 |
f_aging |
±3 × 10-6 / year Max. |
+25 ℃, 初年度,第一年 |


晶振使用注意事项
PCB设计指导
(1)理想情况下,机械蜂鸣器应安装在一个独立于晶体器件的PCB板上。如果您安装在同一个PCB板上,最好使用余量或切割PCB。当应用于PCB板本身或PCB板体内部时,机械振动程度有所不同。建议遵照内部板体特性。
(2)在设计时请参考相应的推荐封装。
(3)在使用焊料助焊剂时,按JIS标准(JIS C 60068-2-20/IEC 60,068-2-20).来使用。
(4)请按JIS标准(JIS Z 3282, Pb 含量 1000ppm, 0.1wt% 或更少)来使用无铅焊料。
存储事项
(1)在更高或更低温度或高湿度环境下长时间保存晶振时,会影响频率稳定性或焊接性。请在正常温度和湿度环境下保存这些石英晶振产品,并在开封后尽可能进行安装,以免长期储藏。
正常温度和湿度:
温度:+15°C 至 +35°C,湿度 25 % RH 至 85 % RH(请参阅“测试点JIS C 60068-1 / IEC 60068-1的标准条件”章节内容)。
(2)请仔细处理内外盒与卷带.外部压力会导致卷带受到损坏。Raltron晶振,CP5032晶振,有源晶振

Raltron晶振集团加强环境意识教育,提高全员环境意识,充分调动职工的积极性,减少生产过程中的废弃物产生量,努力向相关方施加环境影响.
1.为环境保护和降低成本开发绿色技术.进一步解放思想,学习先进,总结实践,针对新形势、新情况,抓好理念创新,促进安全环保工作更加科学、更加有效.
2.为协调发展,共同参与社会的环境、健康与安全的改善活动.带动各项安全环保工作规范化、程序化、科学化管理,加快实现安全环保形势持续好转、根本好转的工作思路.
3.在石英晶振,贴片石英晶体振荡器产品的整个生命周期内确定、评价和改进重要的环境、健康和安全因素.
4.建立和维护以国际协定和国家环境、健康与安全法律法规为基础的企业内部标准.
5.为防止事故的发生和制造清洁的生产环境,开发生产过程的安全技术,明确紧急状态反应的职责.
6.Raltron晶振在产品的全过程中努力节能降耗,实现资源消耗最小化.对石英晶振,5032晶振,有源晶振,压控振荡器,普通晶体振荡器(SPXO)产生环境影响的活动做出及时反应,并对可能产生环境负面影响的活动做出预防.Raltron晶振,CP5032晶振,有源晶振

服务热线:0755-27839045
Q Q联系:262320519
邮箱:szceob2b@163.com


