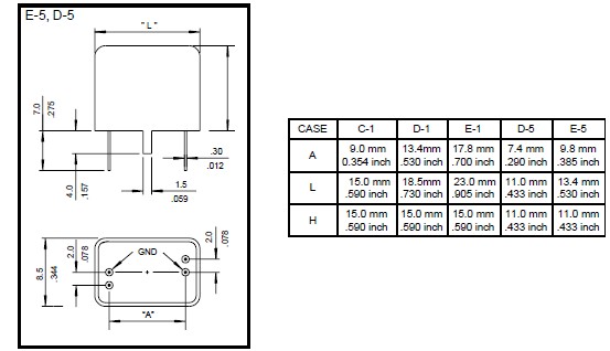
频率:10.7~100MHz 尺寸:13.4*8.5mm
插件石英晶振最适合用于比较低端的电子产品,比如儿童玩具,普通家用电器,即使在汽车电子领域中也能使产品高可靠性的使用.并且可用于安全控制装置的CPU时钟信号发生源部分,好比时钟单片机上的石英晶振,在极端严酷的环境条件下,晶振也能正常工作,具有稳定的起振特性,高耐热性,耐热循环性和耐振性等的高可靠性能。
Raltron晶振,E-5晶振,插件无源晶振,Raltron晶振公司成立于1983年,是全球较受欢迎的石英晶振,贴片晶振,压电石英晶体等频率产品制造商之一.从简单的音叉晶体到高稳定性的可编程晶体振荡器,Raltron积极努力追求一流的生产技术以满足客户的需求,满足客户对于质优价廉的石英晶振,贴片晶振,石英晶体振荡器等频率元件的市场需求。
|
Raltron晶振规格 |
单位 |
E-5晶振频率范围 |
石英晶振基本条件 |
|
标准频率 |
f_nom |
10.7~100.00MHz |
标准频率 |
|
储存温度 |
T_stg |
-40°C ~ +85°C |
裸存 |
|
工作温度 |
T_use |
-10°C ~ +60°C |
标准温度 |
|
激励功率 |
DL |
100μW Max. |
推荐:1μW ~ 100μW |
|
频率公差 |
f_— l |
±50× 10-6(最大) |
+25°C 对于超出标准的规格说明,请联系我们以便获取相关的信息, http://www.jingzhen95.com |
|
频率温度特征 |
f_tem |
±50 × 10-6/-10°C ~ +60°C |
超出标准的规格请联系我们. |
|
负载电容 |
CL |
10~32PF |
不同负载电容要求,请联系我们. |
|
串联电阻(ESR) |
R1 |
如下表所示 |
-40°C — +85°C, DL = 100μW |
|
频率老化 |
f_age |
±5 × 10-6 / year Max. |
+25°C,第一年 |


石英晶振各项注意事项:
晶体谐振器
如果过大的激励电力对石英晶体谐振器外加电压,有可能导致特性老化或损坏,因此请在宣传册、规格书中规定的范围内使用。
让无源晶振振荡的电路宽裕度大致为负性阻抗值。本公司推荐此负性阻抗为谐振器串联电阻规格值的5倍以上,若是车载和安全设备,则推荐10倍 以上。
晶体振荡器
晶体振荡器的内部电路使用C-MOS。闭锁、静电对策请和一般的C-MOS IC一样考虑。
有些有源晶振没有和旁路电容器进行内部连接。使用时,请在Vdd-GND之间用0.01μF左右的高频特性较好的电容器(陶瓷片状电容器等)以 最短距离连接。关于个别机型请确认宣传册、规格书。
晶体滤波器
注意电路板图形的配置,避免输入端子和输出端子靠得太近。
如果贴装晶振滤光片的电路板的杂散电容较大,为了消除该杂散电容,有时需要配置调谐电路。
如果过大的激励电力对谐振器外加电压,有可能导致特性老化或损坏,因此请在声表面滤波器的输入电平在−10dBm以下的状态下使用。
光学产品
由于制造过程中进行了灰尘等异物管理,因此包装开封以后,请在进行清洁度管理的环境中使用。Raltron晶振,E-5晶振,插件无源晶振

Raltron晶振公司不断改进设计,优化工艺,调整工厂布局,采取相应措施,减少各种污染环境的因素,尽可能地节省资源和能源,积极保护厂区和周围地区的环境,在本公司产品的生产与经营过程中充分考虑对环境的影响,为人类的健康生存和持续发展作出贡献.
1.在石英晶振,无源晶振产品的整个生命周期内确定、评价和改进重要的环境、健康和安全因素.建立和维护以国际协定和国家环境、健康与安全法律法规为基础的企业内部标准.
2.Raltron石英晶振坚持运用,不断完善, (TCXO)温补晶体振荡器,无源晶振,贴片晶振生产设备,持续改进,更要针对新情况、新问题,不断学习先进,总结经验,结合实际,及时改进旧方法,勇于摈弃落后方法.
3.Raltron晶振集团对员工进行环境保护知识培训,提高其环境意识,建立环境职责,自觉改进、预防对环境的负面影响.
4.建立和遵守其严格的基于活动所在地法律法规的环境、安全和健康标准.将不断地扩展循环利用、能源和废弃物管理项目.Raltron晶振,E-5晶振,插件无源晶振

服务热线:0755-27839045
Q Q联系:262320519
邮箱:szceob2b@163.com


