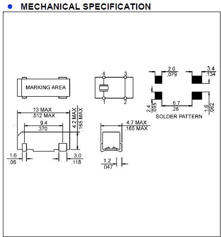
频率:3.579545~60MHz 尺寸:12.5*4.6mm
表面陶瓷封装,其实是属于压电石英晶振,是高可靠的环保性能,严格的频率分选,编带盘装,可应用于高速自动贴片机焊接,产品本身设计合理,成本和性能良好,产品被广泛应用于平板电脑,MP5,数码相机,USB接口最佳选择,包含RoHS指令豁免的密封玻璃中的铅.
Raltron晶振,TT-SMD晶振,陶瓷面晶振,Raltron晶振公司成立于1983年,公司总部位于迈阿密,多年来,公司致力于石英晶振,贴片晶振,石英晶体振荡器,有源晶振的研究和开发,使得石英晶体,石英晶体振荡器的技术不断创新.如今Raltron晶振公司提供高性能的频率控制解决方案,在价格、质量、应用程序工程和客户支持方面满足和超越客户期望.Raltron积极努力追求一流的生产技术以满足客户的需求,满足客户对于质优价廉的石英晶振,贴片晶振,石英晶体振荡器等频率元件的市场需求。
|
Raltron晶振规格 |
单位 |
TT-SMD晶振频率范围 |
石英晶振基本条件 |
|
标准频率 |
f_nom |
3.579545~60MHz |
标准频率 |
|
储存温度 |
T_stg |
-40°C ~ +85°C |
裸存 |
|
工作温度 |
T_use |
-20°C ~ +70°C |
标准温度 |
|
激励功率 |
DL |
100μW .max |
推荐:1μW ~ 100μW |
|
频率公差 |
f_— l |
±50 × 10-6 (标准) |
+25°C 对于超出标准的规格说明,请联系我们以便获取相关的信息, http://www.jingzhen95.com |
|
频率温度特征 |
f_tem |
±50 × 10-6/-20°C ~ +70°C |
超出标准的规格请联系我们. |
|
负载电容 |
CL |
12~32PF |
不同负载电容要求,请联系我们. |
|
串联电阻(ESR) |
R1 |
如下表所示 |
-40°C — +85°C, DL = 100μW |
|
频率老化 |
f_age |
±5 × 10-6 / year Max. |
+25°C,第一年 |


石英晶振各项注意事项:
存储事项
(1)在更高或更低温度或高湿度环境下长时间保存晶体产品时,会影响频率稳定性或焊接性。请在正常温度和湿度环境下保存这些石英晶体产品,并在开封后尽可能进行安装,以免长期储藏。正常温度和湿度:
温度:+15°C 至 +35°C,湿度 25 % RH 至 85 % RH(请参阅“测试点JIS C 60068-1 / IEC 60068-1的标准条件”章节内容)。
(2)请仔细处理内外盒与卷带。外部压力会导致卷带受到损坏。
9.安装时注意事项
9.1.耐焊性
加热包装材料至+150°C以上会破坏产品特性或损害产品。如需在+150°C以上焊接晶体产品,建议使用SMD晶振产品。在下列回流条件下,对晶体产品甚至SMD产品使用更高温度,会破坏产品特性。建议使用下列配置情况的回流条件。安装这些产品之前,应检查焊接温度和时间。同时,在安装条件更改的情况下,请再次进行检查。如果需要焊接的晶体产品在下列配置条件下进行焊接,请联系我们以获取耐热的相关信息。Raltron晶振,TT-SMD晶振,陶瓷面晶振

Raltron晶振集团环保方针:
1.深入贯彻落实科学发展观,牢固树立安全发展理念,强化责任,狠抓落实,加强防范,坚决遏制重特大事故发生.
2.要毫不松懈地抓好安全环保工作,坚持把“环保优先、安全第一、质量至上、以人为本”的理念落实到生产建设全过程.
3.带动各项安全环保工作规范化、程序化、科学化管理,加快实现安全环保形势持续好转、根本好转的工作思路.
4.进一步解放思想,学习先进,总结实践,针对新形势、新情况,抓好理念创新,促进安全环保工作更加科学、更加有效.
5.坚持运用,不断完善, (TCXO)温补晶体振荡器,无源晶振,贴片晶振生产设备,持续改进,更要针对新情况、新问题,不断学习先进,总结经验,结合实际,及时改进旧方法,勇于摈弃落后方法.
6.要积极开展安全经验分享活动,让每一个单位、每一个人的经验和教训变成大家的经验,成为企业的财富.
7.在石英晶振,陶瓷面晶振产品的整个生命周期内确定、评价和改进重要的环境、健康和安全因素.
8.建立和维护以国际协定和国家环境、健康与安全法律法规为基础的企业内部标准.
9.为防止事故的发生和制造清洁的生产环境,开发生产过程的安全技术,明确紧急状态反应的职责.Raltron晶振,TT-SMD晶振,陶瓷面晶振

服务热线:0755-27839045
Q Q联系:262320519
邮箱:szceob2b@163.com


