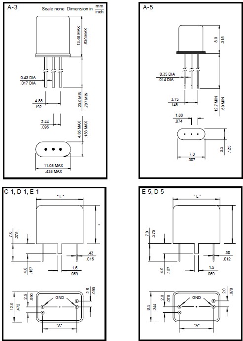
频率:10.7~ 100MHz 尺寸:7.9*3.3mm
插件石英晶振最适合用于比较低端的电子产品,比如儿童玩具,普通家用电器,即使在汽车电子领域中也能使产品高可靠性的使用.并且可用于安全控制装置的CPU时钟信号发生源部分,好比时钟单片机上的石英晶振,在极端严酷的环境条件下,晶振也能正常工作,具有稳定的起振特性,高耐热性,耐热循环性和耐振性等的高可靠性能
Raltron晶振,UM-1晶振,插件石英晶振,Raltron晶振公司成立于1983年,是全球较受欢迎的石英晶振,贴片晶振,压电石英晶体等频率产品制造商之一.多年来,公司致力于石英晶振,贴片晶振,石英晶体振荡器,有源晶振的研究和开发,使得石英晶体,石英晶体振荡器的技术不断创新。Raltron晶振将自己打造成为一个完整的解决方案供应商,在它的石英晶体,石英水晶和晶体振荡器,贴片振荡器中添加了锯片和LTCC过滤器.该公司还为同一市场开发了一整套天线产品.
|
Raltron晶振规格 |
单位 |
UM-1晶振频率范围 |
石英晶振基本条件 |
|
标准频率 |
f_nom |
10.7MHZ~100MHZ |
标准频率 |
|
储存温度 |
T_stg |
-55°C ~ +125°C |
裸存 |
|
工作温度 |
T_use |
-20°C ~ +70°C |
标准温度 |
|
激励功率 |
DL |
500μW Max. |
推荐:1μW ~ 100μW |
|
频率公差 |
f_— l |
±50 × 10-6 (最大) |
+25°C 对于超出标准的规格说明,请联系我们以便获取相关的信息, http://www.jingzhen95.com |
|
频率温度特征 |
f_tem |
±100 × 10-6/-20°C ~ +70°C |
超出标准的规格请联系我们. |
|
负载电容 |
CL |
10~32PF |
不同负载电容要求,请联系我们. |
|
串联电阻(ESR) |
R1 |
如下表所示 |
-40°C — +85°C, DL = 100μW |
|
频率老化 |
f_age |
±5 × 10-6 / year Max. |
+25°C,第一年 |


石英晶振各项注意事项:
请勿用镊子或任何坚硬的工具,夹具直接接触IC的表面。
使用环境(温度和湿度)
请在规定的温度范围内使用耐高温晶振。这个温度涉及本体的和季节变化的温度。在高湿环境下,会由于凝露引起故障。请避免凝露的产生。
激励功率
在晶体单元上施加过多驱动力,会导致无源晶振特性受到损害或破坏。电路设计必须能够维持适当的激励功率 (请参阅“激励功率”章节内容)。
负极电阻
除非振荡回路中分配足够多的负极电阻,否则振荡或振荡启动时间可能会增加(请参阅“关于振荡”章节内容)。Raltron晶振,UM-1晶振,插件石英晶振
负载电容
振荡电路中负载电容的不同,可能欧美进口晶振导致振荡频率与设计频率之间产生偏差。试图通过强力调整,可能只会导致不正常的振荡。在使用之前,请指明该振动电路的负载电容(请参阅“负载电容”章节内容)。

Raltron晶振集团环保方针:
尽可能地节省资源和能源,积极保护厂区和周围地区的环境,在本公司产品的生产与经营过程中充分考虑对环境的影响,为人类的健康生存和持续发展作出贡献.
在石英晶振,贴片晶振产品的整个生命周期内确定、评价和改进重要的环境、健康和安全因素.建立和维护以国际协定和国家环境、健康与安全法律法规为基础的企业内部标准.
深入贯彻落实科学发展观,牢固树立安全发展理念,强化责任,狠抓落实,加强防范,坚决遏制重特大事故发生.
要毫不松懈地抓好安全环保工作,坚持把“环保优先、安全第一、质量至上、以人为本”的理念落实到生产建设全过程.
Raltron石英晶振坚持运用,不断完善, (TCXO)温补晶体振荡器,石英晶振,插件石英晶振生产设备,持续改进,更要针对新情况、新问题,不断学习先进,总结经验,结合实际,及时改进旧方法,勇于摈弃落后方法.Raltron晶振,UM-1晶振,插件石英晶振

服务热线:0755-27839045
Q Q联系:262320519
邮箱:szceob2b@163.com


