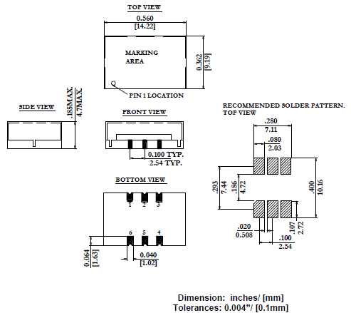
频率:12~870MHz 尺寸:14.22*9.19mm
有源晶振系列SMD晶片目前采用了激光切割技术,按照最严格的切割机各项设备参数,严格挑选各类晶体切割,如:磨料、线切割线、槽轮等,通过以上方法使切割出的晶片在厚度一致性、平行度、表面粗糙度上都超越其它切割方式,提高了晶片的精度,提高了生产效率。
Raltron晶振,V8F-V8M晶振,压控晶体振荡器,Raltron积极追求领先的有源晶体和振荡器技术,专注于满足客户需求。这确保了客户在当今全球市场上获得最具成本效益的频率管理产品。为了满足快速增长的无线应用市场的需求,Raltron还将自己定位为一个完整的解决方案供应商,为其晶振和振荡器提供SAW器件和LTCC滤波器。该公司还为同一市场开发了完整的天线产品系列。
|
项目 |
符号 |
V8F-V8M晶振规格说明 |
条件 |
|
输出频率范围 |
f0 |
12~870MHz |
请联系我们以便获取其它可用频率的相关信息 |
|
电源电压 |
VCC |
3.3V |
请联系我们以了解更多相关信息 |
|
储存温度 |
T_stg |
-65℃ to +150℃ |
裸存 |
|
工作温度
|
T_use
|
-10℃ to +70℃ |
请联系我们查看更多资料http://www.jingzhen95.com
|
| -40℃ to +85℃ | |||
|
频率稳定度
|
f_tol
|
J: ±30 × 10-6 |
|
|
L: ±5 0× 10-6 |
|||
|
T: ±150 × 10-6 |
|||
|
功耗 |
ICC |
25mA Max. |
无负载条件、最大工作频率 |
|
待机电流 |
I_std |
4.3μA Max. |
ST=GND |
|
占空比 |
SYM |
45 % to 55 % |
50 % VCC 极, L_CMOS≦15 pF |
|
输出电压 |
VOH |
VCC-0.4V Min. |
|
|
VOL |
0.4 V Max. |
|
|
|
输出负载条件 |
L_CMOS |
15 pF Max. |
|
|
输入电压 |
VIH |
80% VCC Max. |
ST 终端 |
|
VIL |
20 % VCC Max. |
||
|
上升/下降时间 |
tr / tf |
4 ns Max. |
20 % VCC to 80 % VCC 极, L_CMOS=15 pF |
|
振荡启动时间 |
t_str |
5 ms Max. |
t=0 at 90 % |
|
频率老化 |
f_aging |
±3 × 10-6 / year Max. |
+25 ℃, 初年度,第一年 |


机械振动的影响
当石英晶体产品上存在任何给定冲击或受到周期性机械振动时,比如:压电扬声器,压电蜂鸣器,以及喇叭等,输出频率和幅度会受到影响。这种现象对通信器材通信质量有影响。尽管晶体产品设计可最小化这种机械振动的影响,我们推荐事先检查并按照下列安装指南进行操作。
自动安装时的冲击
自动安装和真空化引发的冲击会破坏产品特性并影响这些产品。请设置安装条件以尽可能将冲击降至最低,并确保在安装前未对产品特性产生影响。条件改变时,请重新检查安装条件。同时,在安装前后,请确保晶体产品未撞击机器或其他电路板等。
操作
请勿用镊子或任何坚硬的工具,夹具直接接触IC的表面。
使用环境(温度和湿度)
请在规定的温度范围内使用SMD晶振产品。这个温度涉及本体的和季节变化的温度。在高湿环境下,会由于凝露引起故障。请避免凝露的产生。
晶体单元/谐振器
激励功率
在晶体单元上施加过多驱动力,会导致石英晶体谐振器产品特性受到损害或破坏。电路设计必须能够维持适当的激励功率 (请参阅“激励功率”章节内容)。
负极电阻
除非振荡回路中分配足够多的负极电阻,否则振荡或振荡启动时间可能会增加(请参阅“关于振荡”章节内容)。Raltron晶振,V8F-V8M晶振,压控晶体振荡器

Raltron晶振集团加强环境意识教育,提高全员环境意识,充分调动职工的积极性,减少生产过程中的废弃物产生量,努力向相关方施加环境影响.
1.为环境保护和降低成本开发绿色技术.进一步解放思想,学习先进,总结实践,针对新形势、新情况,抓好理念创新,促进安全环保工作更加科学、更加有效.
2.为协调发展,共同参与社会的环境、健康与安全的改善活动.带动各项安全环保工作规范化、程序化、科学化管理,加快实现安全环保形势持续好转、根本好转的工作思路.
3.在石英晶振,石英晶体振荡器产品的整个生命周期内确定、评价和改进重要的环境、健康和安全因素.
4.建立和维护以国际协定和国家环境、健康与安全法律法规为基础的企业内部标准.
5.为防止事故的发生和制造清洁的生产环境,开发生产过程的安全技术,明确紧急状态反应的职责.
6.Raltron晶振在产品的全过程中努力节能降耗,实现资源消耗最小化.对石英晶振,压控晶振产生环境影响的活动做出及时反应,并对可能产生环境负面影响的活动做出预防.Raltron晶振,V8F-V8M晶振,压控晶体振荡器

服务热线:0755-27839045
Q Q联系:262320519
邮箱:szceob2b@163.com



Si599智能手环晶振/599BEC000121DG/Skyworks可编程振荡器,尺寸5.0*7.0mm,频率100MHZ,输出逻辑LVDS,电压3.3V,频率稳定性20ppm,思佳讯压控晶振,思佳讯差分晶振,欧美进口有源晶振,7050mm差分晶振,可编程差分晶振,可编程晶振,差分压控晶振,差分晶体振荡器,LVDS输出晶振,差分压控晶振,VCXO压控晶体振荡器,100MHZ差分晶振,低电压差分晶振,低功耗差分晶振,低抖动差分晶振,低相位差分晶振,低耗能差分晶振,低电压电压差分晶振,高质量差分晶振,高精度差分晶振,智能手环专用差分晶振,数字视频差分晶振,以太网差分晶振,光纤通道差分晶振,通讯模块差分晶振,物联网差分晶振,室外基站差分晶振,具有良好的可靠性能以及稳定性能。
差分晶振产品很适合用于智能手环,数字视频,以太网,光纤通道,通讯模块,物联网,室外基站等领域.Si599智能手环晶振/599BEC000121DG/Skyworks可编程振荡器.