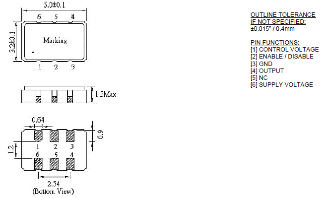
频率:1.250~54MHz 尺寸:5.0*3.2mm
小体积有源石英晶体振荡器,在生产时需要在完全净化车间,在密封的机器设备中测良,封装等技术1.防止外界气体进入组件体内受到污染和增加应力的产生;2.使组件在真空下电阻减小;3.气密性高。此技术为研发及生产超小型、超薄型石英晶体元器必须攻克的关键技术之一。
Raltron晶振,VO5晶振,压控晶体振荡器,Raltron积极追求领先的有源晶体和振荡器技术,专注于满足客户需求。这确保了客户在当今全球市场上获得最具成本效益的频率管理产品。为了满足快速增长的无线应用市场的需求,Raltron通过独立销售代表的全球网络以及在亚洲的几个附属办事处为世界各地的客户提供支持,战略地位于主要客户和市场。该公司的产品由几家大型全球分销商,主要目录公司以及针对特定市场的区域经销商分销。
|
项目 |
符号 |
VO5晶振规格说明 |
条件 |
|
输出频率范围 |
f0 |
1.250~54MHz |
请联系我们以便获取其它可用频率的相关信息 |
|
电源电压 |
VCC |
3.3V ,5V |
请联系我们以了解更多相关信息 |
|
储存温度 |
T_stg |
-55℃ to +125℃ |
裸存 |
|
工作温度
|
T_use
|
-10℃ to +70℃ |
请联系我们查看更多资料http://www.jingzhen95.com
|
| -40℃ to +85℃ | |||
|
频率稳定度
|
f_tol
|
J: ±20 × 10-6
|
|
|
L: ±50× 10-6 |
|||
|
T: ±100 × 10-6 |
|||
|
功耗 |
ICC |
30mA Max. |
无负载条件、最大工作频率 |
|
待机电流 |
I_std |
4.3μA Max. |
ST=GND |
|
占空比 |
SYM |
45 % to 55 % |
50 % VCC 极, L_CMOS≦15 pF |
|
输出电压 |
VOH |
VCC-0.4V Min. |
|
|
VOL |
0.4 V Max. |
|
|
|
输出负载条件 |
L_CMOS |
15 pF Max. |
|
|
输入电压 |
VIH |
80% VCC Max. |
ST 终端 |
|
VIL |
20 % VCC Max. |
||
|
上升/下降时间 |
tr / tf |
6 ns Max. |
20 % VCC to 80 % VCC 极, L_CMOS=15 pF |
|
振荡启动时间 |
t_str |
5 ms Max. |
t=0 at 90 % |
|
频率老化 |
f_aging |
±3 × 10-6 / year Max. |
+25 ℃, 初年度,第一年 |


石英晶振各项注意事项:
1:抗冲击

Raltron晶振集团环保方针:
Raltron晶振集团对员工进行环境保护知识培训,提高其环境意识,建立环境职责,自觉改进、预防对环境的负面影响.
Raltron晶振在产品的全过程中努力节能降耗,实现资源消耗最小化.对5032晶振,贴片晶振,压控振荡器,普通晶体振荡器(SPXO)、压控晶体振荡器(VCXO)产生环境影响的活动做出及时反应,并对可能产生环境负面影响的活动做出预防.
Raltron晶振按照IS014001标准的要求,建立环境管理体系,并在环境目标和方案设定之后追求持续的环境改善.
建立和遵守其严格的基于活动所在地法律法规的环境、安全和健康标准.将不断地扩展循环利用、能源和废弃物管理项目.
在石英晶振,压控晶体振荡器产品的整个生命周期内确定、评价和改进重要的环境、健康和安全因素.Raltron晶振,VO5晶振,压控晶体振荡器

服务热线:0755-27839045
Q Q联系:262320519
邮箱:szceob2b@163.com


