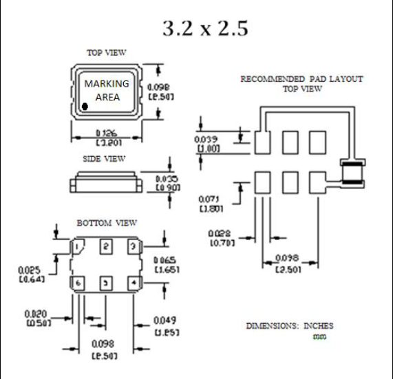
频率:10~250MHz 尺寸:3.2*2.5mm
小型SMD有源晶振,从最初超大体积到现在的7050mm,6035mm,5032mm,3225mm,2520mm体积,有着翻天覆地的改变,体积的变小也试产品带来了更高的稳定性能,接缝密封石英晶体振荡器,精度高,覆盖频率范围宽的特点,SMD高速自动安装和高温回流焊设计,高稳定性,低抖动,低功耗,主要应用领域:无线通讯,高端智能手机,平板笔记本WLAN,蓝牙,数码相机,DSL和其他IT产品的晶振应用,三态功能,PC和LCDM等高端数码领域,符合RoHS/无铅.
Raltron晶振,XCO-34晶振,有源晶振,为了满足快速增长的无线应用市场的需求,Raltron还将自己定位为一个完整的解决方案供应商,为其晶振和石英晶体振荡器提供SAW器件和LTCC滤波器。该公司还为同一市场开发了完整的天线产品系列。Raltron通过独立销售代表的全球网络以及在亚洲的几个附属办事处为世界各地的客户提供支持,战略地位于主要客户和市场。该公司的产品由几家大型全球分销商,主要目录公司以及针对特定市场的区域经销商分销。Raltron正在其迈阿密,佛罗里达州开发和制造精密振荡器。设备,而简单的晶体谐振器,时钟振荡器和滤波器以及天线在中国的几个设施中生产。
|
项目 |
符号 |
XCO-34晶振规格说明 |
条件 |
|
输出频率范围 |
f0 |
10 MHz to 250 MHz |
请联系我们以便获取其它可用频率的相关信息 |
|
电源电压 |
VCC |
2.5V , 3.3 V |
请联系我们以了解更多相关信息 |
|
储存温度 |
T_stg |
-55℃ to +125℃ |
裸存 |
|
工作温度
|
T_use
|
G: -20℃ to +70℃ |
请联系我们查看更多资料http://www.jingzhen95.com
|
|
H: -40℃ to +85℃ |
|||
|
|
|||
|
频率稳定度
|
f_tol
|
J: ±20 × 10-6 |
|
|
L: ±25 × 10-6 |
|||
|
T: ±50 × 10-6 |
|||
|
功耗 |
ICC |
3.5 mA Max. |
无负载条件、最大工作频率 |
|
待机电流 |
I_std |
3.3μA Max. |
ST=GND |
|
占空比 |
SYM |
45 % to 55 % |
50 % VCC 极, L_CMOS≦15 pF |
|
输出电压 |
VOH |
VCC-0.4V Min. |
|
|
VOL |
0.4 V Max. |
|
|
|
输出负载条件 |
L_CMOS |
15 pF Max. |
|
|
输入电压 |
VIH |
80% VCC Max. |
ST 终端 |
|
VIL |
20 % VCC Max. |
||
|
上升/下降时间 |
tr / tf |
4 ns Max. |
20 % VCC to 80 % VCC 极, L_CMOS=15 pF |
|
振荡启动时间 |
t_str |
3 ms Max. |
t=0 at 90 % |
|
频率老化 |
f_aging |
±3 × 10-6 / year Max. |
+25 ℃, 初年度,第一年 |


石英晶振各项注意事项:
1:抗冲击
抗冲击是指晶振产品可能会在某些条件下受到损坏。例如从桌上跌落,摔打,高空抛压或在贴装过程中受到冲击。如果产品已受过冲击请勿使用。因为无论何种石英晶振,其内部晶片都是石英晶振制作而成的,高空跌落摔打都会给晶振照成不良影响。
2:辐射
将贴片晶振暴露于辐射环境会导致产品性能受到损害,因此应避免阳光长时间的照射。
3:化学制剂 / pH值环境
请勿在PH值范围可能导致腐蚀或溶解石英晶振或包装材料的环境下使用或储藏这些产品。
4:粘合剂
请勿使用可能导致石英晶振所用的封装材料,终端,组件,玻璃材料以及气相沉积材料等受到腐蚀的胶粘剂。(比如,氯基胶粘剂可能腐蚀一个晶振的金属“盖”,从而破坏密封质量,降低性能。
5:卤化合物
请勿在卤素气体环境下使用晶振。即使少量的卤素气体,比如在空气中的氯气内或封装所用金属部件内,都可能产生腐蚀。同时,请勿使用任何会释放出卤素气体的树脂。
6:静电
过高的静电可能会损坏贴片晶振,请注意抗静电条件。请为容器和封装材料选择导电材料。在处理的时候,请使用电焊枪和无高电压泄漏的测量电路,并进行接地操作。

Raltron晶振集团加强环境意识教育,提高全员环境意识,充分调动职工的积极性,减少生产过程中的废弃物产生量,努力向相关方施加环境影响.
1.为环境保护和降低成本开发绿色技术.进一步解放思想,学习先进,总结实践,针对新形势、新情况,抓好理念创新,促进安全环保工作更加科学、更加有效.
2.为协调发展,共同参与社会的环境、健康与安全的改善活动.带动各项安全环保工作规范化、程序化、科学化管理,加快实现安全环保形势持续好转、根本好转的工作思路.
3.在石英晶振,有源晶振产品的整个生命周期内确定、评价和改进重要的环境、健康和安全因素.
4.建立和维护以国际协定和国家环境、健康与安全法律法规为基础的企业内部标准.
5.为防止事故的发生和制造清洁的生产环境,开发生产过程的安全技术,明确紧急状态反应的职责.
6.Raltron晶振在产品的全过程中努力节能降耗,实现资源消耗最小化.对石英晶振,有源晶振,压控振荡器,普通晶体振荡器(SPXO)产生环境影响的活动做出及时反应,并对可能产生环境负面影响的活动做出预防.Raltron晶振,XCO-34晶振,有源晶振

服务热线:0755-27839045
Q Q联系:262320519
邮箱:szceob2b@163.com


