








Si570授时模块晶振,570FAB000401DG,思佳讯石英差分振荡器,尺寸7.0*5.0mm,频率360MHZ,输出逻辑LVPECL,电压2.5V,频率稳定性50ppm,思佳讯时钟振荡器,Skyworks差分晶振,欧美有源晶振,差分晶体振荡器,LVPECL输出晶振,Oscillator Crystal,7050mm差分晶振,石英差分振荡器,八脚差分晶振,有源差分晶振,贴片差分晶振,高频差分振荡器,高性能差分晶振,低电压差分晶振,低抖动差分晶振,低损耗差分晶振,低相位差分晶振,授时模块专用差分晶振,光学模块差分晶振,可视化电话差分晶振,北斗定位差分晶振,无线网络差分晶振,室外基站差分晶振,导航定位差分晶振,具有低抖动低电压的特点。
差分晶振产品非常适合用于授时模块,光学模块,可视化电话,北斗定位,无线网络,室外基站,导航定位等领域.Si570授时模块晶振,570FAB000401DG,思佳讯石英差分振荡器.

SSI012000I3CHE-T,HELE加高水晶振荡子,HSO531S时钟振荡器,尺寸5.0*3.2mm,频率12MHZ,频率稳定度±50ppm,工作电压3V~3.6V,工作温度-40℃~+85℃,台湾加高晶振,HELE有源晶振,石英晶体振荡器,石英有源晶振,OSC贴片振荡器,SMD振荡器,有源贴片晶振,Oscillator Crystal,有源晶体振荡器,石英振荡子,智能手机专用有源晶振,小型设备有源晶振,蓝牙音响有源晶振,测试设备有源晶振,无线模块有源晶振,室外基站有源晶振,无线路由器有源晶振,低电压有源晶振,低损耗有源晶振,低相位有源振荡器,低功耗有源晶振,高性能有源晶振,高品质有源晶振,低抖动有源晶振,低相噪有源晶振,具有良好的可靠性能.
OSC晶振产品常常用于智能手机,小型设备,蓝牙音响,测试设备,无线模块,室外基站,无线路由器等领域.SSI012000I3CHE-T,HELE加高水晶振荡子,HSO531S时钟振荡器.

IDT时钟振荡器,XLH536024.000JS4I,路由器6G晶振,尺寸5.0*3.2mm,频率24MHZ,输出逻辑HCMOS,艾迪悌有源晶振,石英晶体振荡器,石英有源晶振,OSC贴片振荡器,SMD振荡器,时钟振荡器,有源晶体振荡器,路由器专用有源晶振,低电压有源晶振,低功耗有源晶振,低相位有源晶振,仪器设备晶振,无线模块晶振,XLH是一款典型的750fs HCMOS晶体振荡器12kHz到20MHz带宽上的相位抖动。可用于频率范围从0.750MHz到250MHz,IDTXLH系列晶体振荡器采用一系列专有技术ASIC,重点关注降噪技术。
三阶德尔塔-西格玛调制器将噪声降低到与传统大块石英和SAW相当的水平有源晶振。交货期短、成本低、噪音低、范围广频率范围,出色的环境性能,XLH与传统技术相比,这是一个极好的选择。这个XLH的稳定性高达±20ppm,速度极快标准频率和自定义频率的交付.IDT时钟振荡器,XLH536024.000JS4I,路由器6G晶振.







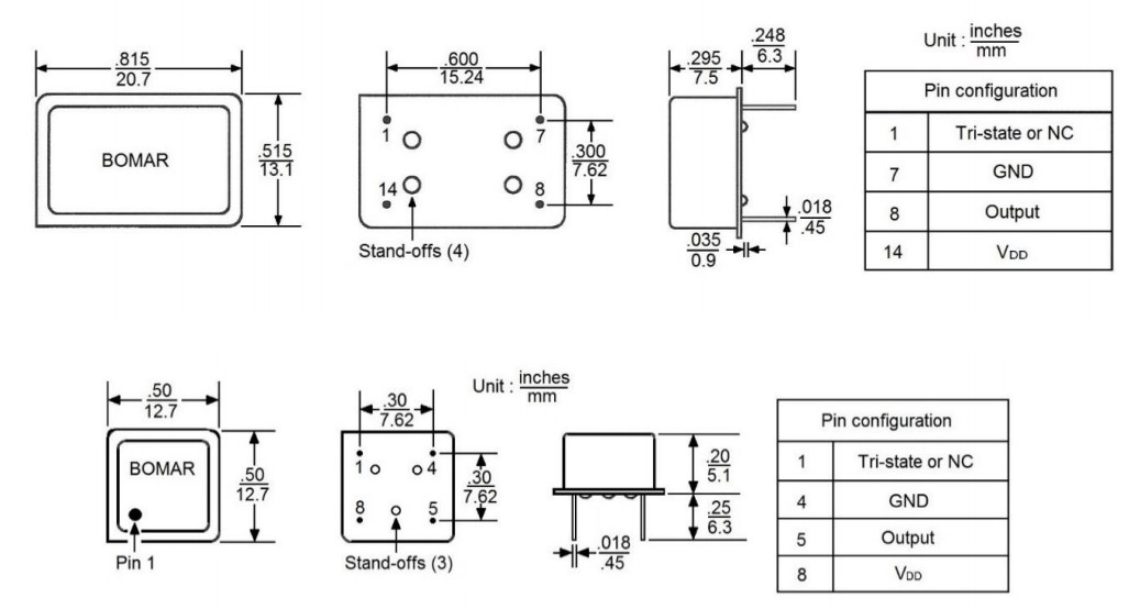
CTS西迪斯振荡器,长方型钟振,MXO45T-2C-27M000000,6G模块,美国进口晶振,西迪斯晶振,有源贴片晶振,时钟振荡器,有源插件振荡器,6G模块专用晶振,OSC晶振,CTS MXO45和MXO45HS是传统的通孔时钟振荡器,提供了一个低成本的设计,支持旧的HCMOS/TTL应用程序。MXO45/MXO45HS不推荐用于新的设计活动,但可用于支持为完整和半尺寸的金属DIP包开发的现有应用程序。
Oscillator Crystal产品应用领域:计算机和外设,微控制器和FPGAs,存储区域网络,宽带接入,数据通信,网络设备,以太网/千兆以太网,光纤通道,测试和测量,6G模块等领域。CTS西迪斯振荡器,长方型钟振,MXO45T-2C-27M000000,6G模块.

频率:32.768KHZ
尺寸:1.6*1.2mm
贴片式Oscillator Crystal,低电压启动功率,并且有多种电压供选择,比如有1.8V,2.5V,3.3V,3.8V,5V等,产品被广泛应用于,平板笔记本,卫星系统,光纤通道,千兆以太网,串行ATA,串行连接SCSI,PCI-EXPress的SDH / SONET发射基站等领域.符合RoHS/无铅.

频率:245.76MHZ
尺寸:14.2*9.14mm
贴片晶振具有适合于移动通信设备用途的高稳定的频率温度特性.为对应低电源电压的产品.(可对应DC +1.8 V±0.1 V to +3.2 V±0.1 V )高度:高1.0 mm,体积:0.007 cm3,重量:0.024g,小型,轻型.低消耗电流,表面贴片型产品.(可对应回流焊) 无铅产品.满足无铅焊接的回流温度曲线要求.
TEL: 0755-27876201- CELL: 13728742863
主营 :石英晶振,贴片晶振,有源晶振,陶瓷谐振器,32.768K晶振,声表面谐振器,爱普生晶振,KDS晶振,西铁城晶振,TXC晶振等进口晶振
TEL: 0755-27837162- CELL: 13510569637
主营 :晶振,进口晶振,石英晶振,陶瓷晶振,贴片晶振,圆柱晶振,无源晶振,有源晶振,温补晶振,压控晶振,压控温补晶振,恒温晶振,差分晶振,雾化片,滤波器.

石英晶体振荡器的压电效应以及等效电路原理
关于QQ在网页点击及时通讯设置